DOI: 10.11817/j.issn.1672-7207.2017.01.021
具备阻断直流侧故障电流模块化的多电平换流器应用研究
邱欣1,夏向阳1,吕大全2,孟科2,蔡洁1,汤赐1,肖辉1,易浩民1,周云1
(1. 长沙理工大学 电气与信息工程学院,湖南 长沙,410014;
2. 悉尼大学 电气与信息工程学院,悉尼,2006)
摘要:针对当前已投入运行的高压直流(HVDC)输电工程中模块化多电平换流器(MMC)存在子模块数量较多、不具备阻断直流侧故障电流等问题,提出一种基于传统MMC拓扑结构的新型模块化多电平拓扑,其桥臂由2个子模块组串联构成,2个子模块组分别由半桥子模块和箝位双子模块串联组成,降低稳态运行损耗和元器件使用数量;阐述该新型拓扑的基本参数选取原则及上、下2组子模块的协调投切过程;针对新型MMC拓扑,采用相应的模型预测控制策略。最后,通过实验进行验证。研究结果表明:新型拓扑不仅具备阻断直流侧故障电流能力,而且在子模块数量相同时,输出电平数增多,交流电压输出波形更接近正弦波。
关键词:模块化多电平换流器; 半桥子模块; 箝位双子模块; 直流侧故障; 模型预测控制
中图分类号:TM72 文献标志码:A 文章编号:1672-7207(2017)01-0148-08
Applied research of a modular multilevel converter with DC fault ride-through capability
QIU Xin1, XIA Xiangyang1, L
Daquan2, MENG Ke2, CAI Jie1, TANG Ci1, XIAO Hui1, YI Haomin1, ZHOU Yun1
(1. College of Electrical and Information Engineering, Changsha University of Science & Technology,
Changsha 410114, China;
2. School of Electrical and Information Engineering, the University of Sydney, Sydney 2006, Australia)
Abstract: In view of sub-modules (SMs) in larger quantities and the incapability of blocking DC fault current of the modular multilevel converter (MMC) for high voltage direct current (HVDC) transmission projects in current operation, a new modular multilevel topology based on traditional MMC topology was presented with its bridge arm consisting of two serial SMs groups constituted by half bridge sub-module (HBSM) and clamp double sub-module(CDSM) in series, incorporating features of low conduction loss and reduce additional components. Its basic parameters design and the coordination switching processes of SMs in two groups were elaborated. The corresponding model predictive control (MPC) strategy was adopted for the new MMC topology. The results show that the new MMC topology not only has the ability to block DC fault current, but also increases output level number at the same number of SMs requirements. The AC voltage output waveform is closer to a sine wave.
Key words: modular multilevel converter (MMC); half bridge sub-module (HBSM); clamp double sub-module (CDSM); DC fault; model predictive control (MPC)
与传统电压源换流器[1-2]相比,模块化多电平换流器(modular multilevel converter,MMC)由于其扩展性好、输出电压波形品质高、开关频率低等诸多优点[3-4],在柔性直流输电中的应用越来越广泛。而MMC拓扑结构作为柔性直流输电系统的重要组成部分,成为国内外学者的研究热点。目前,关于MMC的研究主要集中在系统建模、调制策略选择、控制系统设计等关键技术上,如:HAGIWARA等[5-7]建立了MMC-HVDC的数学模型,提出适用于MMC的空间矢量脉宽调制和电容均压控制的方法;管敏渊等[8-9]对MMC的交直流侧控制方法和环流抑制进行了研究等。当前MMC拓扑结构存在2点不足:1) 无法有效处理直流侧故 障[10]。当直流侧发生故障时,由于系统中绝缘栅双极型晶体管(insulated gate bipolar transistor,IGBT)反并联二极管的续流作用,易构成故障点交流系统直接连通的能量馈送回路[11-12],需要跳开交流断路器以便直流隔离开关可靠动作,但由于机械响应较慢,严重危害系统的安全运行[13],所以,现在已投运的MMC-HVDC工程大多采用电缆敷设线路,以降低直流故障率,但造价昂贵,经济效益差。2) 为了适应大功率高电压输电场合,换流站子模块数量较多,在增加建设成本的同时,系统需要采集和处理的信息量大,损耗也随之增大。因传统MMC拓扑的输出电平数与桥臂子模块数呈简单线性关系,为获得谐波含量较低的高质量输出电压波形,则换流器需由许多子模块串联组成,这样就易导致一次系统和控制系统实际构成较复杂,对换流器的平稳运行带来严峻挑战。刘兴华等[14]提出一种基于循环嵌套机理的模块化多电平换流器拓扑,虽然电平输出能力得到提升,子模块及控制设备用量也相应减少,但其不能有效控制直流侧故障电流,其应用领域受到限制。为解决目前MMC-HVDC所存在的问题,本文作者提出一种新型MMC拓扑结构,其桥臂由2个子模块组串联构成,2个子模块组分别由半桥子模块和箝位双子模块串联组成,称为MCH-MMC。阐述新型拓扑的基本参数选取原则及上、下2组子模块的协调投切过程;针对该新型拓扑结构,采用相应的模型预测控制策略。最后,通过仿真实验予以验证。
1 典型MMC拓扑结构与自阻型子模块CDSM运行原理
1.1 典型MMC拓扑结构
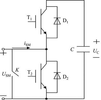
半桥子模块(half bridge sub-module,HBSM)是模块化多电平换流器最常使用的子模块结构,由IGBT(T1和T2)和反并联二极管(D1和D2)构成半H桥,其结构如图1所示。通过2个开关器件T1和T2的作用,可以实现模块输出电压USM在电容电压UC与0 V之间的切换。虽然此MMC拓扑具有扩展性好、谐波小、开关频率较低、对器件一致触发要求少等优点,但其不具备直流侧故障穿越能力这一致命弱点。

图1 半桥子模块结构示意图
Fig. 1 Diagram of HBSM structure
1.2 CDSM拓扑结构及运行原理
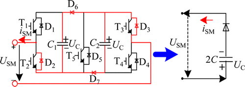
箝位双子模块(clamp double sub-module,CDSM)与HBSM相比,增加的器件和损耗均不大,且能实现直流故障快速自清除,其结构如图2所示。CDSM是由2个等效半桥单元sub1和sub2经2个钳位二极管D6和D7以及反并联二极管D5的IGBT(T5)串并联构成。通过控制箝位双子模块IGBT的触发信号,根据子模块不同的工作状态(稳态、旁路模式),实现子模块输出电压USM分别为直流电容电压0 V,UC和2UC。

图2 箝位双子模块结构示意图
Fig. 2 Diagram of CDSM structure
图2中:T1~T 5为IGBT;D1~D7为二极管;C1和C2为直流电容;iSM为桥臂电流;UC为直流电容电压;USM为子模块输出电压。
下面分析C-MMC直流故障下的等值电路和闭锁机理。当直流侧发生故障时,可通过控制系统封锁所有IGBT的触发信号,以清除故障电流弧道,让子模块运行在闭锁状态。闭锁状态的子模块等值电路与电流方向密切相关,子模块对外等效为带电电容和二极管的串联形式。二极管阳极到阴极方向与故障电流一致,分别如图3和图4所示。
假设交流侧可以向直流侧馈入故障电流,此时应为iSM<0这种情况。设每桥臂均有M个CDSM,直流侧发生双极性短路故障瞬间C-MMC等效图和ab相间电流流向如图5所示。
以ab相间回路为例,回路中要有电流,必须满足:
(1)

图3 闭锁模式下C-MMC等值电路(iSM>0)
Fig. 3 Equivalent circuit of C-MMC under blocking mode when iSM>0

图4 闭锁模式下C-MMC等值电路(iSM<0)
Fig. 4 Equivalent circuit of C-MMC under blocking mode when iSM<0

图5 直流侧故障后C-MMC等效电路图(极间短路)
Fig. 5 Equivalent circuit of C-MMC after DC pole to pole fault
在C-MMC正常状态下,调制度k小于等于1 (一般在0.8~0.9之间),
(2)
即直流侧电压要大于2倍的相电压峰值,得
(3)
其中:Ump为相电压最大值;Uml为ab相线电压最大值。由式(1)~(3)可知交流侧与换流器之间没有电流流通,所以,故障后交流侧不会向直流故障点馈入交流电流。从图5可以看出:当子模块全部进入闭锁状态后,仅有桥臂电抗L的放电电流通过二极管向子模块电容充电;当电流减小为0 A时,UC达到最大,换流器进入完全闭锁状态,从而实现了无需断开交流断路器,换流器就可自清除直流故障电流。
2 新型MCH-MMC换流器拓扑优化设计
2.1 新型MCH-MMC主电路结构
新型拓扑MCH-MMC结构如图6所示。换流器由3相桥臂构成,每相桥臂包含上、下2个换流阀和2个换相电抗。与传统MMC拓扑结构相比,其特别之处在于换流阀由2个子模块组串联构成;2个子模块组分别由N个半桥子模块(HBSM)和M个箝位双子模块(CDSM)串联组成。相臂内的电抗器是为了抑制桥臂间因总直流电压差异引起的相间环流。

图6 新型MCH-MMC拓扑结构图
Fig. 6 Improved topology structure of MCH-MMC
2.2 针对新型换流器拓扑设计原理
为满足模块协调投切需要,2组子模块额定电容电压应满足式(4),即通过2组子模块的协调配合,第1组半桥子模块电容电压
被第2组箝位双子模块电容电压
均分成2M+1份。
(4)
如图6所示,换流器每一桥臂包含的子模块总数为nsum,换流器输出电平数为
(见式(6))。为了维持直流电压稳定,一般要求换流器直流母线电压满足:
(5)
(6)
(7)
式中:
和
分别为第1组半桥子模块电容电压、第2组箝位双子模块电容电压;N和M分别为第1组半桥子模块数量、第2组箝位双子模块数量。式(6)表明拓扑输出电平数与2组子模块数的乘积成正比,有效地提高了拓扑电平输出能力。
新型拓扑中2组子模块的投切配合过程为:电压等级高的第1组半桥子模块以较大的台阶逼近正弦波,电压等级低的第2组子箝位模块以较小的台阶逼近正弦波,2组子模块循环交替投切使得桥臂输出电压波形为正弦阶梯波[14-17]。
考虑新型拓扑能有效处理直流侧故障,设任一时刻上、下2个桥臂合起来投入
个子模块,M和N的取值须满足:
(8)
即选取子模块数目满足相-相回路中电容提供的反电势大于线电压幅值。在闭锁模式下,半桥子模块处于旁路模式故电容电压保持稳定,直流网络能量由箝位双子模块电容吸收。
据以上新型拓扑的基本参数选取原则及上、下2组子模块的协调投切过程,本文提出的新型拓扑既保留了原有的直流故障穿越能力,还具有更强的电平输出能力,减少了子模块的使用量,从而降低了系统运行损耗。
3 MCH-MMC控制策略
3.1 稳态运行时控制策略
从图1~6可知:新型MCH-MMC拓扑结构是由半桥子模块组和箝位双子模块组级联而成。其中CDSM在正常工作时,可等效为2个级联的HBSM,因此,对于新型拓扑每相上、下桥臂均有N个HBSM和M个CDSM的MMC,完全可以移植每相上/下桥臂有N+2M个HBSM的MMC控制策略和调制方法,只需在器件触发层面对脉冲进行再分配即可。
新型拓扑中子模块同样存在电容均压与环流抑制问题。由于 CDSM 中2个子模块在正常运行和故障期间呈现出不同的连接形式,结构上呈现出一定的耦合性,从而增加了控制和均压的复杂度。本文在充分借鉴传统高压直流系统的数学模型、控制策略和已有研究成果的基础上,采用一种同样适用于新型拓扑结构的模型预测控制(model predictive control, MPC)策略[18-20]。其原理是利用它的成本函数最小化技术,根据直流输电系统的离散时间数学模型,开发对应于离散时间模型的1个预测模型,并使用预测模型来选择每个MMC单元中最佳的开关状态,以抑制循环电流,并通过冗余开关状态使电容电压平衡。
3.2 故障情况下控制策略
故障时换流器的控制策略如图 7 所示。

图7 直流侧故障情况下控制策略
Fig. 7 Control strategy of DC faults
在检测到直流故障后,系统会闭锁所有的IGBT 以切断故障电流。对于永久性故障和瞬时性故障,控制策略不同。对于永久性故障,需要断开交流断路器以隔离故障并进行修复。对于瞬时性故障,故障电流被切断后,需要解锁 IGBT 以重新建立直流电压,系统恢复正常运行状态。由于电力电子器件开通和关断十分迅速,且故障清除过程不需要交流断路器动作,因而系统能够快速恢复。采用上述控制策略,故障清除时间非常短(小于20 ms),从而能够有效地保护子模块中的电力电子开关器件。故障的快速切除可使系统迅速恢复正常运行,因此,所提出的改进子模块拓扑能够显著提高系统的直流故障穿越能力。
4 实验验证与分析
为验证MCH-MMC拓扑的有效性及优越性,搭建单相单端换流器实验平台,如图8所示。在满足上述换流器基本拓扑的设计原理下,MCH-HVDC中构成换流桥臂的2个子模块组分别由1个半桥子模块和3个箝位双子模块构成,控制系统电路采用TMS320F2812 DSP。
主要的系统参数如下:MMC额定功率为400 W;直流电压为120 V;交流电压(相-地有效值)为72 V;模块电容为940 mF;子模块额定电容电压为20 V;桥臂电感为5 mH;MMC的开关频率为2.5 kHz。新型MCH-MMC作为逆变站运行,即有功功率从直流侧流动到交流侧。
当t=75 ms时,输送的有功功率从220 W提升到400 W,MCH-MMC的仿真波形见图9。从图9可以看出:本文所提出的新型MMC能快速、顺利地跟踪电流和功率的变化,并且子模块电容电压在瞬间保持平衡。
图10所示为MCH-MMC发生直流侧故障时的仿真波形。
最初,MCH-MMC作为整流站运行,即直流侧从交流测吸收有功功率(245 W)。当直流侧发生故障后(用图8所示的电阻串联在直流侧双极之间模拟直流侧故障),桥臂电流iarm迅速增大,MMC继续运行,直到检测所选子模块的电容在换流器闭锁前放电,直流电压快速跌落。一旦封锁所有IGBT的触发信号时,故障电流流经CDSM中的串联电容,而HBSM中的电容均被旁路。在IGBT闭锁后,CDSM中的电容有一段短充电时间,而HBSM电容电压保持不变。由于CDSM子模块电容在故障回路提供的反电势比交流电压大,交流电流和桥臂电流迅速均下降到0 A,从而闭锁了直流侧故障。到过电流且t=100 ms时,换流器进入闭锁状态,过电流迅速减小。
图11所示为新型MMC在直流电压显著下降情况下的仿真波形。
最初,MCH-MMC 作为整流站运行,直流侧电压维持在额定电压120 V,直流侧从交流测吸收有功功率(370 W)。对于传统的VSC,将直流电压从120 V下降到70 V (下降42%),此时,由于直流电压小于交流电压,该压降使换流器停止运行。而对于提出的新型MMC,将有功功率相应地下降到 215 W(减少42%),并增加100 Var无功功率来确保HBSM有足够的充电时间。如图11所示,在该直流电压降情况下,输出交流电流仍然可以很好地控制,验证了MCH-MMC在直流电压跌落期间可以通过调节有功功率和无功功率来灵活控制并保持良好的运行特性。

图8 试验系统原理图
Fig. 8 Schematic diagram of the experimental system

图9 新型MCH-MMC动态图
Fig. 9 Dynamic diagrams of MCH-MMC

图10 MCH-MMC发生直流侧故障时的仿真波形
Fig. 10 Simulation waveform of MCH-MMC under DC side fault

图11 MCH-MMC在直流电压下降时的仿真波形
Fig. 11 Simulation waveform of MCH-MMC under DC voltage drops
所搭建的实验平台电压等级较低,与实际工程电压等级不匹配,但该MCH-MCC仍具备阻断直流侧故障电流的能力。MCH-MMC在稳定状态、功率上升及直流侧故障状态下的实验结果验证了理论分析的正确性。MCH-MMC不仅具备直流故障电流阻断能力,而且具有更高的设备利用率和更低的功率损耗,适用于大功率传输场合。
5 结论
1) 本文提出一种基于传统MMC拓扑结构的新型模块化多电平拓扑,阐述了该拓扑的构成方式、基本参数选取原则及子模块的协调投切过程。
2) 针对该新型拓扑结构,采用相应的模型预测控制策略。采用混合子模块组作桥臂的新型MCH-MMC拓扑不仅具有阻断直流侧故障电流的能力,而且减少子模块的使用量,降低系统运行损耗,在实际工程应用中能降低换流站投资成本,简化控制系统硬件并节约占地面积,适用于高压直流输电场合。
参考文献:
[1] 周臻, 夏向阳, 唐伟, 等. 基于非线性控制APF在HVDC中的谐波抑制研究[J]. 中南大学学报(自然科学版), 2013, 45(9): 3746-3751.
ZHOU Zhen, XIA Xiangyang, TANG Wei, et al. Unbalanced control strategy based on negative voltage compensation for VSC-HVDC system[J]. Journal of Central South University (Science and Technology), 2013, 45(9): 3746-3751.
[2] 夏向阳, 周云, 帅智康. 高压直流输电系统中模块化多电平换流器的重复预测控制[J]. 中国电机工程学报, 2015, 35(7): 1637-1643.
XIA Xiangyang, ZHOU Yun, SHUAI Zhikang. Repeat predictive control of a modular multilevel converter for HVDC system[J]. Proceedings of the CSEE, 2015, 35(7): 1637-1643.
[3] 管敏渊, 徐政, 屠卿瑞, 等. 模块化多电平换流器型直流输电的调制策略[J]. 电力系统自动化, 2010, 34(2): 48-52.
GUAN Minyuan, XU Zheng, TU Qingrui, et al. Nearest level modulation for modular multilevel converters in HVDC transmission[J]. Automation of Electric Power Systems, 2010, 34(2): 48-52.
[4] 赵昕, 赵成勇, 李广凯, 等. 采用载波移相技术的模块化多电平换流器电容电压平衡控制[J]. 中国电机工程学报, 2011, 31(21): 48-55.
ZHAO Xin, ZHAO Chengyong, LI Guangkai, et al. Submodule capacitance voltage balancing of modular multilevel converter based on carrier phase shifted SPWM technique[J]. Proceedings of the CSEE, 2011, 31(21): 48-55.
[5] HAGIWARA M, AKAGI H. Control and experiment of pulse width-modulated modular multilever converters[J]. IEEE Trans on Power Electronics, 2009, 24(7): 1737-1746.
[6] 管敏渊, 徐政. 模块化多电平换流器型直流输电的建模与控制[J]. 电力系统自动化, 2010, 34(19): 64-68.
GUAN Minyuan, XU Zheng. Modeling and control of modular multilevel converter in HVDC transmission[J]. Automation of Electric Power Systems, 2010, 34(19): 64-68.
[7] 丁冠军, 丁明, 汤广福, 等. 新型多电平VSC子模块电容参数与均压策略[J]. 中国电机工程学报, 2009, 29(30): 1-6.
DING Guanjun, DING Ming, TANG Guangfu, et al. Submodule capacitance parameter and voltage balancing scheme of a new multilevel VSC modular[J]. Proceedings of the CSEE, 2009, 29(30): 1-6.
[8] 管敏渊, 徐政, 潘武略, 等. 电网故障时模块化的电平换流器型高压直流输电系统的分析与控制[J]. 高电压技术, 2013(5): 1238-1245.
GUAN Minyuan, XU Zheng, PAN Wulue, et al. Analysis and control of modular multilevel converter based HVDC transmission systems during grid faults[J]. High Voltage Engineering, 2013(5): 1238-1245.
[9] 杨晓峰, 王晓鹏, 范文宝, 等. 模块组合多电平变换器的环流模型[J]. 电工技术学报, 2011, 26(5): 21-27.
YANG Xiaofeng, WANG Xiaopeng, FAN Wenbao, et al. Circulating current model of modular multilevel converters[J]. Transactions of China Electrotechnical Society, 2011, 26(5): 21-27.
[10] 赵成勇, 陈晓芳, 曹春刚, 等. 模块化多电平换流器HVDC直流侧故障控制保护策略[J]. 电力系统自动化, 2011, 35(23): 82-87.
ZHAO Chengyong, CHEN Xiaofang, CAO Chungang, et al. Control and protection strategies for MMC-HVDC under DC faults[J]. Automation of Electric Power System, 2011, 35(23): 82-87.
[11] 王姗姗, 周孝信, 汤广福, 等. 模块化多电平换流器HVDC直流双极短路子模块过电流分析[J]. 中国电机工程学报, 2011, 31(1): 1-7.
WANG Shanshan, ZHOU Xiaoxin, TANG Guangfu, et al. Analysis of submodule over current caused by dc pole-to-pole fault in modular multilevel converter HVDC system[J]. Proceedings of the CSEE, 2011, 31(1): 1-7.
[12] 曾祥君, 罗莎, 胡晓曦, 等. 主动配电网系统负荷控制与电能质量监测[J]. 电力科学与技术学报, 2013, 28(1): 41-47.
ZENG Xiangjun, LUO Sha, HU Xiaoxi, et al. Load control and power quality monitoring in active distribution system[J]. Journal of Electric Power Science and Technology, 2013, 28(1): 41-47.
[13] DAVIDSON C C, TRAINER D R. Innovative concepts for hybrid multi-level converter for HVDC power transmission[C]// 9th IET International Conference on AC and DC Power Transmission. London: Curran Associates, 2010: 19-21.
[14] 刘兴华, 赵成勇, 彭茂兰, 等. 基于循环嵌套机理的模块化多电平换流器拓扑及其优化设计[J]. 中国电机工程学报, 2013, 33(9): 64-70.
LIU Xinghua, ZHAO Chengyong, PENG Maolan, et al. Nested-loop mechanism based modular multilevel converter topology and optimal design[J]. Proceedings of the CSEE, 2013, 33(9): 64-70.
[15] 丁一平, 钟晨曦, 刘建华. VSC-HVDC控制系统分析[J]. 电力科学与技术学报, 2011, 26(3): 75-79.
DING Yiping, ZHONG Chenxi, LIU Jianhua. Analysis of VSC-HVDC control system[J]. Journal of Electric Power Science and Technology, 2011, 26(3): 75-79.
[16] FRANCK C M. HVDC circuit breakers:a review identifying future research needs[J]. IEEE Transactions on Power Delivery, 2011, 26(2): 998-1007.
[17] 夏向阳, 唐伟, 冉成科, 等. 基于DSP控制的单相光伏并网逆变器设计[J]. 电力科学与技术学报, 2011, 26(3): 52-56.
XIA Xiangyang, TANG Wei, RAN Chengke, et al. Design of single phase photovoltaic grid-connected inverter based on DSP control[J]. Journal of Electric Power Science and Technology, 2011, 26(3): 52-56.
[18] QIN J, SAEEDIFARD M. Predictive control of a modular multilevel converter for a back-to-back HVDC system[J]. IEEE Transactions on Power Delivery, 2012, 27(3): 1538-1547.
[19] 翁汉琍, 李雪华, 潘本仁, 等. HVDC换流站换流器桥差保护动作行为的仿真分析[J]. 电力科学与技术学报, 2015, 30(4): 34-39.
WENG Hanli, LI Xuehua, PAN Benren, et al. Simulation analysis of action behaviors for bridge differential protection in HVDC converter station[J]. Journal of Electric Power Science and Technology, 2015, 30(4): 34-39.
[20] 刘正茂, 唐欣, 肖茂. 连接VSC-HVDC的弱电网低频振荡研究[J]. 电力科学与技术学报, 2016, 31(1): 34-40.
LIU Zhengmao, TANG Xin, XIAO Mao. Study on low frequency oscillation of weak grid connected to VSC-HVDC[J]. Journal of Electric Power Science and Technology, 2016, 31(1): 34-40.
(编辑 陈灿华)
收稿日期:2016-03-10;修回日期:2016-05-22
基金项目(Foundation item):湖南省教育厅创新平台开放基金资助项目(16K004);湖南省(长沙理工大学)研究生科研资助项目(CX2016B405) (Project(16K004) supported by Hunan Provincial Department of Education Innovation Platform Open Fund Project; Project(CX2016B405) supported by Hunan Province (Changsha University) of Science & Technology Graduate Student Research)
通信作者:夏向阳,博士(后),教授,硕士生导师,从事电力电子技术在电力系统中的应用等研究;E-mail: xia_xy@126.com