稀有金属 2006,(05),615-618 DOI:10.13373/j.cnki.cjrm.2006.05.009
用顶端收缩的双悬臂斜形梁试样研究等离子喷涂钼涂层的断裂韧性
李长久
华东理工大学机械与动力工程学院,西安交通大学材料科学与工程学院 上海200237,陕西西安710049
摘 要:
针对目前测量涂层断裂韧性的测量方法存在测量结果不稳定及测量程序复杂的问题, 基于测量断裂韧性的曲边双悬臂梁试样 (CDCB) , 提出用顶端收缩的双悬臂斜形梁试样 (TDCB) 进行测量。利用TDCB试样测量了Mo涂层的断裂韧性为106.4±14.8 J.m-2, 并通过扫描电子显微镜 (SEM) 观察了Mo涂层的断口形貌。研究结果进一步表明用TDCB试样测量涂层的断裂韧性是可行的。Mo涂层断口呈现脆性断裂形貌。
关键词:
等离子喷涂 ;Mo ;涂层 ;断裂韧性 ;
中图分类号: TG174.4
收稿日期: 2006-04-12
Measurement of Fracture Toughness of Plasma Sprayed Mo Coatings Using A Tapered Double Cantilever Beam Method
Abstract:
It is difficult to obtain an accurate fracture toughness value of plasma sprayed coatings through using current measurement method.For the accurate measurement of critical strain energy release rate (GIc ) , we proposed a tapered double cantilever beam (TDCB) specimen based on the contoured double cantilever beam (CDCB) specimen.The fracture toughness of plasma sprayed Mo coatings in terms of critical strain energy release rate GIc was investigated using TDCB approach.The fracture surfaces were examined using scanning electron microscope (SEM) .These results further suggest that the TDCB test is a reliable approach to measure GIc of thermal spray coatings.Plasma sprayed Mo coatings has a feature of brittle fracture.
Keyword:
plasma spray;Mo;coating;fracture toughness;
Received: 2006-04-12
钼的熔点高, 刚度、高温强度及高温硬度均很大。抗热震性、导热及导电性能良好, 在熔融玻璃和锌中的耐蚀性良好。因此在各个工业部门都具有广泛的应用前景
[1 ]
。钼涂层具有很高的红硬性, 可以防止发生粘着磨损, 同时钼在300℃以上的温度会发生氧化, 生成硬度更高的氧化物, 提高零件表面硬度, 增加耐磨性。而且热喷涂后留下的气孔, 有储存润滑油的特点, 可以降低摩擦系数
[2 ]
。钼系涂层用作汽车同步环的耐磨涂层时, 不但使汽车的承载能力提高40%, 同时使同步环的使用寿命提高5倍, 并减少速比间隙, 提高汽车对道路的适应性。而钼系涂层用于内燃机、汽油机的活塞环时, 可以改善运动件的润滑条件, 防止汽缸与活塞环之间的咬合现象, 大大提高了活塞环的使用寿命
[3 ]
。另外钼涂层还有防止合金高温硫化的作用
[4 ]
。
涂层在使用过程中会发生从涂层层间断裂的情况, 而断裂韧性是评价涂层抗开裂能力的性能指标。目前双悬臂梁试样 (DCB) 被广泛用于测量涂层的断裂韧性
[5 ,6 ]
。但是由于双悬臂梁试样的柔度与裂纹长度呈非线性关系, 所以测量涂层的断裂韧性时需要准确地测量裂纹长度。Mostovoy提出了一种改进的曲边双悬臂梁试样 (CDCB)
[7 ]
。通过改变试样的形状可使柔度与裂纹长度成线性关系因此, 临界断裂应变能释放率, 即断裂韧性只与断裂载荷有关, 与裂纹长度没有关系。但是CDCB试样的曲边梁加工困难, 因此实际应用中较为困难。
钼涂层的应用广泛, 为防止钼涂层在使用过程中发生断裂或层间剥落, 有必要测量涂层的断裂韧性。本文在CDCB试样的基础上, 设计了顶端收缩的双悬臂梁试样 (TDCB试样) , 并用该试样测量了等离子喷涂Mo涂层的断裂韧性。
1 试验过程
1.1 TDCB试样
本文引入TDCB试样测量涂层的断裂韧性
[8 ]
, 现将试样的设计简述如下。根据断裂力学理论, 材料的临界应变能释放率:
其中Fc 是临界断裂载荷, B是裂纹宽度, C是加载点柔度, a是裂纹长度。由上式可知
是与裂纹长度有关的量, 即GIc 除了与临界载荷大小及裂纹宽度有关外, 还将随着裂纹长度的变化而变化。
由材料力学可知柔度C等于位移与载荷的比值, 即
其中u是加载点处的位移。对于DCB试样, 则有
[7 ]
式中, E是杨氏模量, υ是泊松比, x是断裂面上某点相对于加载点的距离, h是悬臂在x距离处的高度。若取υ=1/3, 则
那么
如果通过试样设计使
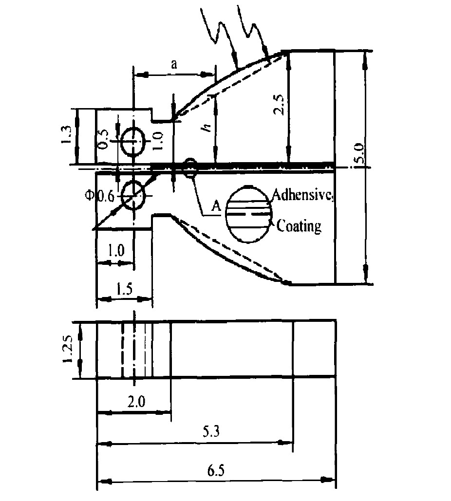
为常数, 得到的试样为改进的曲边双悬臂梁试样 (CDCB) , 如图1中实线所示。为了便于加工, 将曲边改为直线边, 得到顶端收缩的双悬臂梁试样, 简称TDCB试样 (图1, 虚线) 。
通过对TDCB试样进行柔度标定, 得到:
根据式 (6) 可见, 在试验中无需测量裂纹的扩展长度, 只要得到涂层开裂时的临界载荷Fc , 即可得到涂层的临界应变能释放率, 即断裂韧性。研究表明
[8 ]
TDCB试样可以用来测量涂层的断裂韧性。
1.2 喷涂材料及工艺
试验所用喷涂粉末是粒径为60~75μm的商用Mo粉, 基体材料为低碳钢。当基体待喷涂表面经喷砂粗化后, 采用等离子喷涂方法制备厚度约为500~700μm的涂层。喷涂设备为GP-80型等离子喷涂设备。所用等离子气体为Ar+H2 , 压力分别为0.7和0.4 MPa, 流量分别为47.1和10.5L·min-1 , 送粉气为N2 。喷涂功率为36 kW (600 A/60 V) , 喷涂距离为120 mm。在此喷涂参数下同时制备6个断裂韧性试样。
图1 CDCB试样 [7]与TDCB试样 (cm)
Fig.1 Configuration and dimensions of CDCB specimen
[7]
and TDCB specimen (cm)
1.3 断裂韧性试验
将喷有涂层的试样与另一仅经喷砂粗化处理的试样用E-7胶粘接成GIc 试样。粘结时在两臂之间预留10~12 mm的预制裂纹, 裂纹长度以加载点为原点进行计量。将制好的试样在Instron 1195拉伸试验机上拉伸, 拉伸速度为5×10-5 m·min-1 , 同时记载载荷-位移曲线。试验过程参照ASTM-E-399标准进行。试样拉断后对断口进行宏观分析, 只有断在涂层层间的试验结果是有效的, 即为内聚断裂韧性。另外用SEM观察涂层的断口形貌。
2 结果与讨论
将6个试样的断裂测量值和断面位置总结在表1中。通过TDCB试样测量得到的钼涂层的平均内聚断裂韧性为106.4±14.8 J·m-2 。图2所示为等离子喷涂钼涂层断口的宏观形貌。由较大放大倍数的断口形貌 (图2 (a) ) 可见, 涂层断口上光滑的断面相对较多, 表明涂层层间的未结合区域较多。涂层断口的放大形貌表明涂层的断裂以脆性折断为主。涂层的脆性断裂除了平面应变断裂作用外, 涂层中有钼的氧化物也是原因之一。由于钼与氧的亲和力强, 钼在空气中当温度为315℃时即开始氧化, 650℃时快速氧化。而喷涂过程中氧气不可避免地卷入, 从而造成钼氧化。钼与氧相互作用, 首先形成MoO2 。这种低价氧化物在氧介质中进一步氧化为又硬又脆的MoO3
[9 ]
。
由于在文献中没有查到钼涂层GIc 的测量结果, 为了比较本试验获得的断裂韧性与文献报道的结果, 采用Mo涂层的弹性模量与GIc 值估算Mo涂层的KIc 。钼涂层的弹性模量为49 GPa
[10 ]
, 取其泊松比为0.3, 根据GIc = (1-υ2 ) ·K2 Ic /E, 可计算得到等离子喷涂Mo涂层的KIc 为2.4 MPa·m1/2 。而Mo块材的KIc 为9.9 MPa·m1/2
[11 ]
, 与该结果相比, 涂层KIc 约为块材的四分之一。
图2 等离子喷涂钼涂层的断口形貌
Fig.2 Typical fractography of plasma-sprayed Mo coating
表1 等离子喷涂钼涂层的断裂测量相关内容 下载原图
Table 1 Details about the fracture of plasma sprayed Mo coating
注:试样4断裂最大载荷与断裂临界载荷之比大于1.10, 按照ASTM E399-78a舍去;试样5的拉伸曲线非线性, 舍去
表1 等离子喷涂钼涂层的断裂测量相关内容
断口形貌观察分析表明, 试验过程中裂纹沿涂层内粒子间界面扩展, 并导致最终断裂。因此, 等离子喷涂涂层的断裂韧性取决于粒子间的结合状态。一般等离子喷涂层呈层状结构, 粒子间的结合有限。根据等离子喷涂氧化铝涂层粒子间结合的研究发现
[12 ,13 ,14 ]
, 粒子层间结合率随喷涂参数的变化在17%~32%范围内变化。同时研究发现GIc 与粒子间平均结合率呈正比
[15 ]
。由于Mo属于高熔点金属材料, 除喷涂过程发生氧化外, 其沉积特性基本与氧化铝陶瓷相当。为此, 可以假设涂层粒子层间的结合状态基本与氧化铝涂层相当。因此, 等离子喷涂Mo涂层的KIc 应为块材的17%~32%, 这一分析结果与测量结果一致, 表明本研究所得到的断裂韧性值合理, 这进一步表明TDCB试样可以用来测量涂层的断裂韧性
3 结论
基于曲边双悬臂梁试样 (CDCB) , 提出用顶端收缩的双悬臂斜形梁试样 (TDCB) 测量涂层的断裂韧性。TDCB试样测量涂层的断裂韧性时, 只需要断裂时的临界载荷即可。通过TDCB试样测量得到等离子喷涂Mo涂层的内聚临界断裂韧性为106.4±14.8J·m-2 , 钼涂层断裂韧性的测量结果与文献报道结果一致。进一步说明TDCB试样可以用来测量涂层的断裂韧性, 并且测量程序简便。钼涂层断面呈现脆性折断, 这是由平面应变断裂和钼涂层的氧化所致
参考文献
[1] 张燕红.稀土钼制品的替代性及其应用[J].稀有金属, 2003, 27 (1) :69.
[2] 姜超平.钼系等离子涂层在工程机械中的应用[J].养护机械与施工技术, 2005, 5:45.
[3] 严淑群.钼系涂层的制备工艺研究[J].湖南冶金, 2001, 2:16.
[4] Du H L, Datta P K, Burnell Gray J S, et al.Influence of plasma-sprayed Mo coating on sulphidation behavior of Inconel 600 and Ni-monic PE11 alloys[J].Surf.Coat.Technol., 1995, 76-77:1.
[5] Berndt C C, McPherson R.A fracture mechanics approach to theadhesion of flame and plasma sprayed coatings[A].Zaat DJH, Pro-ceedings of the 9th International Thermal Spraying Conference[C].Hague:ASM International, 1980, 310.
[6] Ostojic P, McPherson R.Determining the critical strain energy re-lease rate of plasma-sprayed coatings using a double-cantilever-beamtechnique[J].J.Am.Ceram.Soc., 1988, 71 (10) :891.
[7] Mostovoy S, Crosley P B, Ripling E J.Use of crack-line-loadedspecimens for measuring plane-strain fracture toughness[J].J.Ma-terials, 1967, 2 (3) :661.
[8] Li C J, Wang W Z, He Y.Measurement of fracture toughness ofplasma sprayed Al2O3coatings using a tapered double cantilever beammethod[J].J.Am.Ceram Soc., 2003, 86 (8) :1437.
[9] 韦福水, 蒋伯平, 汪行忄山豆等.热喷涂技术[M].北京:机械工业出版社, 1986, 4.
[10] Jiang X, Matejicek J, Sampath S.Substrate temperature effects onthe splat formation, microstructure development and properties ofplasma sprayed coatings, Part II:case study for molybdenum[J].Materials Science and Engineering A, 1999, 272:189.
[11] 张久兴, 刘燕琴, 刘丹敏, 等.微量La2O3对钼的韧化作用[J].中国有色金属学报, 2004, 14 (1) :13.
[12] Ohmori A, Li C J.Quantitative characterization of the structure ofplasma sprayed Al2O3coating by using copper electroplating[J].Thin Solid Films, 1991, 201:241.
[13] Ohmori A, Li C J, Arata Y.Influence of plasma spray conditionson the structure of Al2O3coatings[J].Trans Jpn.Weld.Res.In-st., 1990, 19:259.
[14] Li C J, Ohmori A.Relationship between the structure and proper-ties of thermally sprayed coatings[J].J.Thermal Spray Technol., 2002, 11:365.
[15] Li C J, Wang W Z, He Yong.Dependency of fracture toughness ofplasma sprayed Al2O3coatings on lamellar structure[J].J.ThermSpray Technol., 2004, 13 (3) :425.