文章编号:1004-0609(2009)05-0847-07
Er对铸态AZ91镁合金显微组织和耐腐蚀性能的影响
刘楚明1, 3,葛位维1,李慧中1, 2,陈志永1, 2,王 荣3,高艳蕊1
(1. 中南大学 材料科学与工程学院,长沙 410083;
2. 中南大学 有色金属材料科学与工程教育部重点实验室,长沙 410083;
3. 中国兵器科学研究院 宁波分院,宁波 315103)
摘 要:利用金相显微镜(OM)、扫描电镜(SEM)、能谱分析(EDS)、X射线衍射分析、集气法及动电位极化曲线研究了微量Er对铸态AZ91镁合金显微组织和腐蚀性能的影响。结果表明:微量Er可细化AZ91镁合金的铸态组织,当AZ91镁合金中加入Er的含量不高于0.7%(质量分数)时,随着Er含量的增加,镁合金中的γ-Mg17Al12相由粗大、连续块状分布逐渐转变为细小、岛状均匀分布,并且有Al3Er相生成;同时,微量Er也可显著提高铸态AZ91的耐腐蚀性能,当Er含量为0.7%时,合金耐蚀性能大幅度提高,在3.5%(质量分数)NaCl水溶液中浸泡的腐蚀速率为0.546 06 mg/(cm2·d),仅为常规AZ91镁合金的1/15;微量Er使得AZ91镁合金在3.5% NaCl溶液中的自腐蚀电位升高,自腐蚀电流降低,从而提高AZ91镁合金的耐腐蚀性能。
关键词:AZ91镁合金;Er;显微组织;腐蚀性能
中图分类号:TG 146.2 文献标识码:A
Effect of Er on microstructure and corrosion resistance of
AZ91 magnesium alloy
LIU Chu-ming1, 2, GE Wei-wei1, LI Hui-zhong1, 2, CHEN Zhi-yong1, 2, WANG Rong3, GAO Yan-rui1
(1. School of Materials Science and Engineering, Central South University, Changsha 410083, China;
2. Key Laboratory of Nonferrous Metal Materials Science and Engineering, Ministry of Education,
Central South University, Changsha 410083, China;
3. Ningbo Branch, Ordnance Science Institute of China, Ningbo 315103, China)
Abstract: The microstructure and corrosion behavior of AZ91 magnesium alloys with trace addition of Er were investigated by optical microscopy (OM), scanning electronic microscopy (SEM), energy-dispersive spectroscopy (EDS), X-ray diffractometry (XRD), collecting gas, immersion test and potention dynamic polarization. The results show that with Er addition in the range of 0%-0.7% (mass fraction), the γ-Mg17Al12 phase is refined with increasing Er addition and disperses well in the matrix, and Al3Er phase forms. The corrosion resistance of alloy is significantly improved. The alloy with 0.7% Er has the best corrosion resistance, and the corrosion rate is 0.546 06 mg/(cm2·d), only 1/15 of that of common AZ91 alloy. Trace addition of Er enhances the electrode voltage and lowers the corrosion current of AZ91 alloy in 3.5% NaCl solution, thus improves the corrosion characters of magnesium alloy.
Key words: AZ91 magnesium alloy; Er; microstructure; corrosion resistance
AZ91镁合金是最常用的镁合金之一,具有易加工、易铸造、强度高以及成本低等优点,已经被广泛应用于多种形式的机械部件。但是,通常AZ91镁合金只能在120 ℃以下使用[1],且在各种介质中的耐腐蚀性能较差,成为其大规模应用的严重障碍。因此,提高AZ91镁合金的耐高温和抗腐蚀性能一直是目前材料科学工作者急需解决的重要问题之一。
稀土元素具有独特的物理和化学性质,在镁及其合金中加入稀土元素可以细化晶粒、改善组织、提高高温力学性能以及耐腐蚀性能[2-6]。在AZ91镁合金 中,通过添加稀土元素来提高其综合性能是常用手段之一。目前研究较多的稀土元素主要有钇、钕、富铈或者富镧的混合稀土等[7-10]。但是,Er作为一种重要的稀土元素,在AZ91镁合金中的应用仅有少量研究报道。肖代红和黄伯云[11]研究发现,在AZ91镁合金中添加0.98%~1.92%Er后, 能有效细化铸态合金的晶粒,且其室温抗拉强度从162 MPa 提高到211 MPa。但是Er对AZ91镁合金腐蚀性能的影响规律研究的较少。本文作者研究了添加微量稀土元素Er对AZ91镁合金显微组织和耐腐蚀性能的影响,为提高AZ91镁合金的耐腐蚀性能以扩大其应用领域提供有益参考。
1 实验
实验合金的化学成分及编号如表1所列。采用Mg (99.78%)、纯Al(99.7%)、纯Zn(99.8%)、Al-9.55% Mn及Al-30%Er中间合金,在井式电阻炉中使用不锈钢坩锅熔炼,熔炼温度750 ℃,保护气体为SF6+CO2,在680 ℃将合金溶液浇入预热至200 ℃的铁模中。
表1 实验镁合金实际化学成分表
Table 1 Chemical composition of experiment alloys

腐蚀速率采用失重法和析氢法相结合的方法测定,腐蚀介质为3.5%NaCl溶液,实验温度为室温(20 ℃),试样尺寸为d 30 mm×3 mm,试样表面经金相砂纸逐级打磨后,用丙酮溶液超声波清洗、吹干,并用十万分之一电子天平称量后,悬挂在体积为400 mL的腐蚀溶液当中,每隔24 h记录滴定管内气体的体 积,计算其腐蚀速率。试样分别于24、48、72和96 h后取出用 20%CrO3+1%AgNO3溶液清洗腐蚀产物,并用无水乙醇和二次去离子水冲洗表面,热风吹干后称质量,计算腐蚀质量损失和自腐蚀速率,取3次平行实验的平均值为结果。试样腐蚀48 h后的宏观形貌和显微组织观察在POLYVAR-MET金相显微镜下进行,扫描电镜分析在Sirion200场发射扫描电镜上进行,EDS分析在其附带的Gensis60型能谱分析仪来进行。腐蚀产物X射线衍射分析在DMAX22000上进行。采用IM6ex 电化学工作站测试Tafel曲线。用Pt为辅助电极,饱和甘汞电极为参比电极的三电极体系,电解质为3.5%NaCl溶液,扫描范围-1.8~ 0.2 V,扫描速度10 mV/s,测试温度25 ℃。
2 结果与讨论
2.1 微量Er对AZ91微观组织的影响
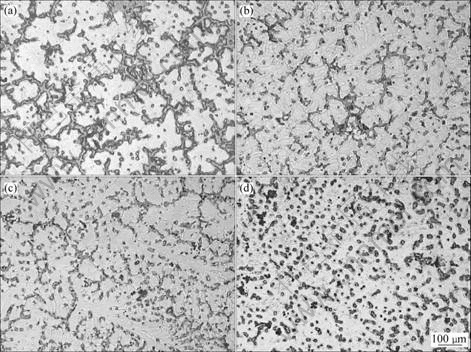
图1所示为添加不同Er含量的AZ91镁合金铸态组织。从图1(a)可以看出,AZ91镁合金的微观组织主要是由α-Mg 和尺寸粗大、连续分布的γ-Mg17Al12组成。比较图1(b)~(d)发现:添加Er可以明显细化γ-Mg17Al12,并使第二相γ-Mg17Al12由原来的块状连续分布变成弥散细小的球状或点状分布,且随着Er含量的增加不断细化和球化,分布更均匀。图2所示为合金1和合金4的SEM像和EDS谱。由图2(a)可见,合金中除了α-Mg和γ-Mg17Al12之外,还有一些白亮的粒状相。经EDS分析表明,合金中含有Mg、Al和Mn等元素(见图2(b))。从图2(c)还可发现,加入Er后形成白亮杆状相。经EDS分析表明,该相主要含Al和Er,其摩尔比约为3?1(见图2(d)),可以确定该相为Al3Er[11]。
AZ91镁合金中添加Er后,合金组织发生的变化很大程度上与Er有关。一方面由于Er 与Al 的电负性差值为0.4,大于Er与Mg的电负性差值0.1[12],因此,在凝固过程中形成了Al-Er相而不是Mg-Er相。且在合金凝固过程中,Mg17Al12相和Al3Er相的形成温度分别为437 ℃ 和655 ℃[13],Al3Er 相先于Mg17Al12相在凝固早期开始形成,消耗了基体中的一部分Al原子,减少了γ-Mg17Al12相的形成数量。另一方面,稀土Er 元素是表面活性元素,在Mg17Al12相生长过程中可以吸附在生长枝晶尖端,抑制Mg17Al12相的长大,从而减少Mg17Al12相的数量,增大其弥散程度,减小其尺寸[14]。加入稀土Er后,稀土相受凝固时扩散动力学条件限制而聚集在固液界面前沿,增大了合金的成分过冷而使分枝过程加剧,二次枝晶增多,最终使枝晶间距减小,组织细化[11]。

图1 铸态合金的光学显微组织
Fig.1 Optical microstructures of as-cast alloys: (a) AZ91; (b) AZ91+0.3%Er; (c) AZ91+0.5%Er; (d) AZ91+0.7%Er

图2 铸态合金的SEM像和EDS能谱
Fig.2 SEM images and EDS patterns of as-cast alloys: (a) SEM image of AZ91; (b) EDS pattern of point A; (c) SEM image of AZ91+0.7%Er; (d) EDS pattern of point B
2.2 微量Er对AZ91镁合金耐腐蚀性能的影响
2.2.1 镁合金的腐蚀速率
采用气体容量法测定腐蚀速率,根据镁腐蚀机理,镁合金在水溶液中主要发生如下反应:
Mg+2H2O=Mg2++2OH-+H2 (1)
式(1)表明,每溶解一个镁原子就会产生一个H2分子。所以测量腐蚀过程中析出的氢气体积,就可算出被腐蚀镁的量。换算结果表明:1 L析出气体近似为1 g镁或镁合金被腐蚀[15]。合金1~4在3.5%NaCl溶液中浸泡5 d的平均腐蚀速率分别为7.652 43、 1.514 37、1.211 99和0.546 06 mg/(cm2?d),结果如图3所示。由图3可见:当Er含量为0.7%以下时,合金的腐蚀速率随着Er含量的增加而降低;当Er含量为0.3%和0.5%时,腐蚀速率相差不大,降到约为原AZ91镁合金腐蚀速率的20%左右;当Er含量达到0.7%时,合金的腐蚀速率仅相当于AZ91腐蚀速率的7.2%。

图3 不同合金浸泡5 d的平均腐蚀速率
Fig.3 Average corrosion rates of different alloys immersed in 3.5% NaCl solution for 5 d
图4所示为AZ91和AZ91+xEr镁合金在3.5% NaCl溶液中的析氢腐蚀速率随时间的变化曲线。由图4可以看出,AZ91合金的析氢腐蚀速率远大于AZ91+xEr合金的,并且AZ91镁合金腐蚀速率随时间波动较大,随着腐蚀时间的增加腐蚀速率迅速增大,在第4 d达到最大值,然后腐蚀速率开始下降。AZ91+xEr腐蚀速率随着腐蚀时间的增加变化比较平缓,在第2 d或第3 d达到最大值,随后逐渐下降。

图4 合金在溶液中浸泡不同时间的腐蚀速率
Fig.4 Corrosion rates of alloys immersed in 3.5%NaCl solution after different times
2.2.2 镁合金的极化曲线
图5所示为不同合金在3.5% NaCl溶液中的极化曲线。由图5可以看出,AZ91及AZ91+xEr镁合金极化曲线阴极分支都遵循Tafel规律,对应于阴极析氢反应,极化曲线的阴极Tafel曲线斜率逐渐增加,表明Er的加入能抑制阴极析氢反应。同时,随着Er含量的增加,阳极极化曲线斜率逐渐增加,其自腐蚀电流密度降低。

图5 实验合金的极化曲线
Fig.5 Polarization curves of alloys in 3.5% NaCl solution
表2所列为极化曲线进行Tafel拟合的结果。由表2可以看出,添加Er后,合金的自腐蚀电位升高,自腐蚀电流密度降低;当Er含量达到0.7%时,自腐蚀电位升至-1.544 V,自腐蚀电流降为8.577 μA。根据法拉第定律,电流密度与腐蚀速率成正比,由此可知,加入Er后合金的耐腐蚀性能显著提高,实验结果与失重法、析氢法测试结果一致。
表2 AZ91+xEr的极化曲线拟合结果
Table 2 Fitting results of polarization curves for AZ91+xEr alloys

2.2.3 AZ91镁合金的表面腐蚀形貌及产物分析
图6所示为不同Er含量的AZ91镁合金在3.5% NaCl溶液浸泡2 d后的腐蚀形貌。由图可以看出,合金1表面全部被腐蚀,腐蚀程度较深,有大量的腐蚀产物,且存在深腐蚀坑;合金2和3被腐蚀的部分约为合金表面的1/3,腐蚀产物相对要少,腐蚀坑较浅;合金4表面的腐蚀最少,只在边缘被少部分腐蚀,其耐腐蚀性能最好,这与失重法、析氢法测试的腐蚀性能规律一致。

图6 AZ91镁合金在3.5% NaCl溶液中浸泡2 d的腐蚀形貌
Fig.6 Morphologies of corrosion surfaces of alloys in 3.5% NaCl solution for 2 d: (a) AZ91; (b) AZ91+0.3%Er; (c) AZ91+ 0.5%Er; (d) AZ91+0.7%Er
图7所示为合金1、3和4在3.5%NaCl溶液中浸泡5 d后表面XRD分析。结果显示:合金在3.5%NaCl溶液中浸泡后的腐蚀产物主要是Mg(OH)2和Al2O3。由于合金4的腐蚀速率很低(见图3),因而在相同的时间内其表面的腐蚀产物比较少,而 XRD分析合金腐蚀产物中没有检测出Al2O3 的存在。这也说明加入Er能显著提高AZ91镁合金的耐腐蚀性能。

图7 合金在3.5%NaCl溶液中浸泡5 d后的腐蚀表面XRD谱
Fig.7 XRD patterns of alloys surface after immersion in 3.5% NaCl solution for 5 d: (a) AZ91; (b) AZ91+0.5%Er; (c) AZ91+ 0.7%Er
上述结果表明,加入微量稀土Er能显著提高AZ91镁合金的耐腐蚀性能。已有的研究显示,该合金中γ-Mg17Al12相的形态、数量、大小、分布与其腐蚀性能有着密切的关系[16-17]。Er的添加使得γ- Mg17Al12相更细小、分布更均匀。在腐蚀体系中,γ-Mg17Al12 相的电位(约-1.3 V)比α-Mg(约-1.6 V)的 高[18],γ-Mg17Al12相可作为阴极,与阳极α-Mg 构成腐蚀电池,α-Mg尤其是γ-Mg17Al12相周围的α-Mg,晶粒作为阳极优先发生腐蚀,而大部分γ-Mg17Al12相作为阴极被保护,留在基体表面,仅少部分γ-Mg17Al12相因其周围的α-Mg 晶粒严重腐蚀而脱落,形成腐蚀坑,因此,γ-Mg17Al12相的细化、均匀分布与数量减少可有效地降低合金的腐蚀(见图6)。另一方面添加Er后γ-Mg17Al12相数量的减少使α-Mg基体中的铝含量增加,α-Mg基体中Al含量增加可以提高合金的耐腐蚀性能[19-20],同时,γ-Mg17Al12相的数量减少,使得活性阴极的面积减少,有效地抑制自腐蚀过程,另外,加入Er后,可以抑制阴极析氢反应,增大阳极极化曲线的斜率,大幅度降低合金的自腐蚀电流密度,因此,添加Er可以提高合金的耐腐蚀性能。
3 结论
1) 在AZ91镁合金中添加稀土Er后可使γ-Mg17Al12相由连续的网状结构变为细小弥散的岛状结构,并有Al3Er相形成。
2) 在AZ91镁合金中添加稀土Er后,随着Er的含量增加,腐蚀质量损失和析氢腐蚀速率逐渐降 低。当Er含量达到0.7%时,合金的腐蚀速率降低至0.546 06 mg/(cm2·d),为未添加Er的AZ91合金的1/15。
3) Er的加入使得AZ91镁合金的自腐蚀电位升高,同时降低了其自腐蚀电流密度,从而大幅度提高了合金的耐腐蚀性能。
致谢:
本论文在撰写过程中得到丁道云教授的帮助与指导,在此表示诚挚的谢意。
REFERENCES
[1] 袁广银, 孙扬善, 张为民. Bi 对铸造镁合金组织和力学性能的影响[J]. 铸造, 1998, 5: 5-7.
YUAN Guang-yin, SUN Yang-shan, ZHANG Wei-min. Effect of bismuth on the microstructure and mechanical properties of cast magnesium alloy[J]. Foundry, 1988, 5: 5-7.
[2] 陈健美, 张新明, 邓运来, 肖 阳, 熊创贤, 蒋 浩. 镁合金熔炼的热力学[J]. 中南大学学报: 自然科学版, 2006, 37(3): 427-432.
CHEN Jian-mei, ZHANG Xin-ming, DENG Yun-lai, XIAO Yang, XIONG Chuang-xian, JIANG Hao. Thermodynamics of melding and refining of magnesium alloys[J]. Journal of Central South University of Technology: Natural Science, 2006, 37(3): 427-432.
[3] NAIR K S, MITTAL M C. Rare earths in magnesium alloys[J]. Sci Forum, 1988, 30: 89-104.
[4] 樊 昱, 吴国华, 高洪涛, 李冠群, 翟春泉. La对AZ91D镁合金力学性能和腐蚀性能的影响[J]. 金属学报, 2006, 42(1): 35-40.
FAN Yu, WU Guo-hua, GAO Hong-tao, LI Guan-qun, ZHAI Chun-quan. Effect of La on the mechanical property and corrosion resistance of AZ91D Magnesium alloy[J]. Acta Metallurgica Sinica, 2006, 42(1): 35-40.
[5] KIRYUU M, OKUMURA H, KAMADO S, KOJIMA Y, NINOMIYA R, NAKATSUGAW A. Corrosion resistance of heat resistant magnesium alloys containing heavy rare earth elements[J]. Japan Institute of Light Metal, 1996, 46(1): 39-44.
[6] 王忠军, 张彩碚, 邵晓宏, 崔健忠, 乐启炽. 添加稀土Er与溶剂中对铸态AZ91镁合金组织与性能的影响[J]. 中国有色金属学报, 2007, 17(2): 181-187.
WANG Zhong-jun, ZHANG Cai-bei, SHAO Xiao-hong, CUI Jian-zhong, LE Qi-chi. Effects of Er addition in flux on microstructure and properties of casting AZ91 magnesium alloy[J]. The Chinese Journal of Nonferrous Metals, 2007, 17(2): 181-187.
[7] 刘生发, 王慧源, 徐 萍. 钕对AZ91镁合金腐蚀性能的影响[J]. 铸造, 2006, 55(3): 296-299.
LIU Sheng-fa, WANG Hui-yuan, XU Ping. Influence of neodymium on the corrosion of AZ91 magnesium alloy[J]. Foundry, 2006, 55(3): 296-299.
[8] WANG Qu-dong, LU Yi-zhen, ZENG Xiao-qin, DING Wen-jiang, ZHU Yan-ping. Effects of RE on microstructure and properties of AZ91 magnesium alloy[J]. Trans Nonferrous Met Soc China, 2000, 10(2): 235-239.
[9] 张诗昌, 魏伯康, 林汉同, 王立士. 钇及铈镧混合稀土对AZ91镁合金铸态组织的影响[J]. 中国有色金属学报, 2001, 11(S2): 99-102.
ZHANG Shi-chang, WEI Bo-kang, LIN Han-tong, WANG Li-shi. Effect of yttrium and mischmetal on as-cast structure of AZ91 alloy[J]. The Chinese Journal of Nonferrous Metals, 2001, 11(S2): 99-102.
[10] LIU Sheng-fa, KANG Liu-gen, HAN Hui, LIU Lin-yan, ZOU Xiao-qiang, GUO Hong-he. Influence of electromagnetic stirring on microstructure of AZ91-0.8%Ce magnesium alloy[J]. Journal of Central South University of Technology, 2006, 13(6): 613-617.
[11] 肖代红, 黄伯云. 铒对AZ91镁合金铸态组织与力学性能的影响[J]. 中国稀土学报, 2008, 26(1): 78-81.
XIAO Dai-hong, HUANG Bai-yun. Effect of erbium addition on microstructure and mechanical properties of as-cast AZ91 magnesium alloy[J]. Journal of the Chinese Rare Earth Society, 2008, 26(1): 78-81.
[12] 肖纪美. 合金能量学[M]. 上海: 上海科学技术出版社, 1985: 50.
XIAO Ji-mei. Energetics of materials[M]. Shanghai: Shanghai Science and Technology Press, 1985: 50.
[13] OKAMOTO H, HIROAK I. Phase diagrams of dilute binary alloys[M]. Materials Park, OH: ASM International, 2002: 157.
[14] NUSSBAUM G, SAINFORT P. Strengthening mechanism in the rapidly solidified AZ91 magnesium alloy[J]. Scripta Metallurgica, 1989, 23: 1079-1085.
[15] 宋光龄. 镁合金的腐蚀与防护[M]. 北京: 化学工业出版社, 2006: 209-223.
SONG Guang-ling. Corrosion and protection of magnesium alloys[M]. Beijing: Chemical Industry Press, 2006: 209-223.
[16] SONG Gang-ling. Corrosion and protection of magnesium alloys an overview of research undertaken by cast[J]. Materials Science Forum, 2005, 488/489(2): 649-652.
[17] LUNDER O, NISANCIOGLU K, STEEN HANSEN R. Corrosion of die cast magnesium-aluminum alloy[R]. SAE Technical Paper 930755. Detroit: International Congress and Exposition, 1993: 1-5.
[18] ZHAO Ming-chun, LIU Ming, SONG Guang-ling, ATRENS A. Influence of the β-phase morphology on the corrosion of the Mg alloy AZ91[J]. Corrosion Science, 2008, 50(7): 1939-1953.
[19] AMBAT R, AUNG N N, ZHOU W. Evaluation of microstructural effects on corrosion behavior of AZ91D magnesium alloy[J]. Corrosion Science, 2000, 42(8): 1433-1455.
[20] SONG Guang-ling, ATRENS A, WU Xian-liang, ZHANG Bo. Corrosion behavior of AZ21, AZ501 and AZ91 in sodium chloride[J]. Corrosion Science, 1998, 40(10): 1769-1791.
基金项目:国防重大基础研究基金资助项目(2005年)
收稿日期:2008-12-09;修订日期:2009-03-02
通讯作者:刘楚明,教授,博士;电话:0731-8830257;E-mail: cmLiu@mail.csu.edu.cn
(编辑 龙怀中)