文章编号:1004-0609(2010)S1-s0094-06
片层组织TA15钛合金的热变形行为及组织球化
吴成宝,杨 合,孙志超,樊晓光
(西北工业大学 凝固技术国家重点实验室,西安 710072)
摘 要:采用Gleeble-3500型热模拟试验机对片层组织TA15钛合金进行等温恒应变速率压缩试验,研究其在两相区860~970 ℃和应变速率0.01~1 s-1范围内的热变形行为和组织球化过程。结果表明:片层组织TA15合金两相区变形应力对温度和应变速率很敏感,应力峰值高于等轴组织合金变形时的峰值,而且其前后应力的硬化率和软化率随着温度的降低和应变速率的增大而逐渐增大。应变对片层组织球化的影响最显著,在本实验条件下,片层组织开始球化的临界应变为0.34~0.59,完全球化需要的应变为3.4~6.8。TA15片层组织两相区变形应力的软化主要原因是片层组织球化和弯折。
关键词:TA15钛合金;片层组织;球化;热变形
中图分类号:TG 146.2 文献标志码:A
Hot deformation behavior and microstructure globularization of
TA15 with lamellar structure
WU Cheng-bao, YANG He, SUN Zhi-chao, FAN Xiao-guang
(State Key Laboratory of Solidification Processing, Northwestern Polytechnical University, Xi’an 710072, China)
Abstract: The hot deformation behavior and globularization processes of TA15 with lamellar structure were studied in the temperature range of 860-970 ℃ and strain rate range of 0.01-1 s-1 by hot compression tests using Gleeble-3500 thermal simulation testing machine. The results show that deformation stress of TA15 alloy with lamellar structure is sensitive to the temperature and strain rate, and the stress peak is higher than that of alloy with equiaxed structure. Further more, the hardening ratio before stress peak and the softening ratio after stress peak increase with lower temperature and higher strain rate. The strain is the most remarkable factor of hot deformation parameters that affect the globularization process. The critical strain for initiation of globularization is between 0.34 and 0.59, and the strain for full globularization is between 3.4 and 6.8. The globularization and bending of lamellar structure are the main reasons of flow softening.
Key words: TA15 titanium alloy; lamellar structure; globularization; hot deformation
TA15钛合金是一种高铝当量的近α型钛合金,相应的俄罗斯牌号为BT20。该合金兼有α型和(α+β)型钛合金的优点,具有中等室温和高温强度、良好的热稳定性和焊接性能,被广泛应用在航空航天工业领域,如飞机隔框、壁板等一些受力复杂的重要构件[1-3]。
钛合金在相变点以上β相区热加工或热处理后,根据冷却速度的不同,将得到不同形态的片层组织,如水淬得到针状马氏体,空冷和炉冷分别得到细片状和粗片状形态的β转变组织[4]。这种片层组织很稳定,一般不能像钢一样通过相变点上下的循环热处理使其球化,只有通过两相区的强烈变形才能使其等轴化,即钛合金片状组织的球化过程。因此,有关片层组织钛合金的热变形行为、片层组织球化规律和机理以及球化动力学一直是国内外钛合金热加工领域关注的焦点。MILLER等[5]研究了片层组织Ti-6Al-4V在两相区压缩和拉伸变形方式下应力的流变软化。SEMIATIN 等[6-7]采用热压缩试验研究了Ti-6Al-4V合金片层组织的变形软化机制和球化动力学过程,以及α片层厚度对变形的影响。SESHACHARYULU等[8]采用热加工图研究发现:Ti-6Al-4V片层组织在两相区800~975 ℃ 和应变速率小于0.1 s-1条件下球化,球化过程受交滑移速率控制,初生α晶粒尺寸和变形Z参数的对数之间是线性关系。SALISHCHEV等[9]的研究表明,Ti-6Al-4V片层组织在两相区变形球化过程中,α相和β相发生连续再结晶,变形在α片层中形成的小角度晶界、大角度晶界、剪切带和孪晶等缺陷造成α片层的分解。陈慧琴等[10-11]研究了TC11钛合金片层组织的球化动力学过程和球化机理,认为球化机制为α相的连续动态再结晶和β相的动态回复或不连续动态再结晶过程。周军等[12-13]分析了热变形参数对Ti-17合金片状α球化过程的影响,并应用热加工图研究了Ti-17合金片状组织球化规律。姚泽坤等[14]研究了热处理以及不同热力参数对TC11合金显微组织及初生α相球化的影响规律。这些研究大部分是关于两相和近β钛合金的,但有关近α钛合金片层组织球化的研究目前很少见公开报道,且近α钛合金中稳定元素含量较高,α片状组织更稳定,则其球化过程可能相对较难。本文作者研究β退火态片层组织近α钛合金TA15在两相区变形行为及片层组织的球化规律,这对该合金两相区片层组织热变形球化工艺的制定具有重要 意义。
1 实验
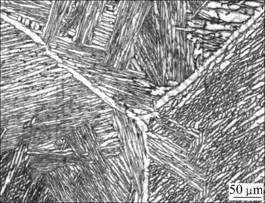
所用TA15合金由上海宝钢股份有限公司特殊钢事业部提供,经测定相变点为990 ℃。原坯料经1 020 ℃保温30 min后炉冷,组织为β退火态片层组织,如图1所示。热模拟试样加工成8 mm×12 mm的圆柱体,试验在Gleeble-3500热模拟机上进行,试验温度为860、900、940和970 ℃;应变速率为0.01、0.1和1 s-1;最大变形程度为30%~70%。压缩完毕后立即水淬以保留变形后的组织。然后,沿与压缩轴平行的方向将试样对半剖开,制备成金相试样,在OLMPUS PMG光学显微镜上进行金相组织观察。由于压缩试样过程中应变分布不均匀,可通过有限元模拟计算局部区域应变,从而实现对相应应变下组织的观察和研究,同时应用定量金相测量软件Image Plus 5.0测量其球化率(视α相的长轴与短轴比为1.0~2.5的为等轴组织)。

图1 TA15合金初始组织
Fig.1 Original microstructure of TA15 alloy
2 结果与分析
2.1 应力—应变曲线
图2(a)和(b)所示为TA15钛合金片层组织两相区变形球化过程中的应力—应变曲线。由图2(a)和(b)可见,变形开始后,应力随着应变的增加急剧增加,发生加工硬化;在较小的应变(0.04~0.08),应力达到峰值;而后应力随着应变的增加逐渐降低,发生软化;随着应变的进一步增加,应力的软化率逐渐下降,应力逐渐趋于稳定状态。这与沈昌武[15]获得的等轴组织TA15的应力—应变曲线(见图2(c))有所不同。在文献[15]中,在温度低于950 ℃,应变速率大于0.1 s-1条件下,应力—应变曲线为动态再结晶型曲线;在温度高于950 ℃,应变速率小于0.1 s-1时,合金的应力—应变曲线为动态回复型曲线。这说明片层组织钛合金的变形软化机制和等轴组织的可能不同,而且在同等条件下片层组织的TA15流变峰值应力高于等轴组织的流变应力峰值(见图2(b)和(c))。这可能是因为片层组织的晶界相对多于等轴组织的晶界,且晶界上原子排列不规则,杂质和缺陷多,能量较高,阻碍位错通过。
由图2可见,变形应力不仅随着温度的降低和应变速率的增大而迅速增大;而且随着温度的降低和应变速率的增大,应力峰值前后应力的硬化率和软化率也逐渐增大,应力峰形状逐渐变尖,说明片层组织TA15合金两相区变形的应力对温度和应变速率很敏感,也说明不同的变形条件下片层组织TA15的软化机制可能不同,在后文2.3章节将作论述。
2.2 热变形参数对TA15钛合金片层组织球化过程的影响
2.2.1 应变对球化过程的影响
应变对钛合金片层组织球化过程的影响显著。一般来讲,片状α的球化程度随着应变的增大而增大。图3所示为温度900 ℃、应变速率为0.01 s-1 时不同应变下的显微组织。可以看出,应变为0.6时,原始β晶粒被拉长,晶界部分被破碎,晶内片状α变短,但等轴α组织很少,球化刚开始;应变量为1.5时,晶界α进一步被破碎,晶内片状α发生扭曲和扭折,部分发生折断,长径比缩小,从而产生部分等轴α组织;应变为2.8时,片状α大部分已经球化,得到均匀的球状α组织。另外,由图3可知,片层组织的球化过程开始于α集束边界,并随着应变的增加,逐步向α集束内部扩展,与文献[9]的结论相同。

图2 片层组织和等轴组织[15]TA15合金在α+β相区变形的的真应力—真应变曲线
Fig.2 True stress—true strain curves of TA15 alloys with lamellar structure (a, b) and equiaxed structure[15] (c) forming in α+β region

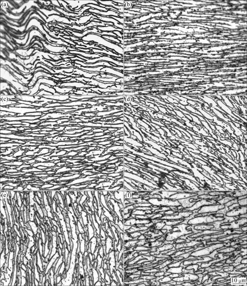
图3 在900 ℃,0.01 s-1时不同应变下的变形组织
Fig.3 Microstructures under different strains at 900 ℃ and 0.01 s-1: (a) ε=0.6; (b) ε=1.5; (c) ε=2.8
根据实验数据,运用定量金相测量方法(Image Plus 5.0)以及球化动力学模型fDg=1-exp[-k(ε-εc)n]进行拟合计算,预测TA15合金的片状组织开始球化所需的临界应变εc为0.34~0.59,完全球化所需要的应变εf为3.4~6.8。SEMIATIN等[6]发现Ti-6Al-4V合金片状组织应变为1.0才开始发生动态球化,当真应变达到2.5时才能完全球化,低于本实验结果3.4~6.8。其原因可能是TA15的α片状组织含量较高,片层较厚、较稳定,球化相对较难。应变增大时片状α球化比率增大的主要原因:应变越大,被切断的片状α数量越多,为再结晶提供更多的形核机会;同时晶内缺陷也越多,存储的畸变能也越大,故容易发生再结晶和晶界分离。而应变较小时,晶内存储的变形能低,未达到新晶粒形核所需的激活能,再结晶不容易发生,故球化程度较小。
2.2.2 应变速率对球化过程的影响
本文研究了3种不同的应变速率(0.01、0.1、1 s-1)对组织球化的影响,如图4(a)~(c)所示。结果发现:在两相区变形时,真应变较小(小于0.6)和较大(大于2.8)时,应变速率对组织的球化程度影响不大;当真应变在0.6到2.8之间时,降低应变速率可以提高片状组织的球化程度。这与文献[11]中Ti-17片层组织球化情况有所不同。这是因为文献[11]中Ti-17合金在热变形后进行了如下热处理:(800 ℃, 4 h, 水淬)+(625 ℃, 8 h,空冷)。在热变形过程中,随着应变速率的增加,动态回复率降低,位错增殖率增加,由于具有较高的位错储存能,使其组织不稳定,没有因变形而球化的片状α相在随后的热处理过程中要向更稳定的形态(球状组织)转变,即变形后的热处理有利于片状组织的进一步球化[16]。
2.2.3 变形温度对球化过程的影响
变形温度对片层组织球化程度的影响也较显著。图4(c)~(f)所示为真应变为2.0,应变速率为0.01 s-1条件下不同变形温度的球化组织。由图4可见,当真应变和应变速率相同时,温度不仅影响组织的球化程度,而且对球化后等轴α的晶粒尺寸影响较大。随着温度的升高,片层组织的球化程度和等轴α相的晶粒尺寸增大。这是因为随着温度的升高,组织中α相要向β相转变,从而使片层α相含量减少,厚度变薄,稳定性降低,球化相对容易,同时温度的升高导致了等轴α相的长大。

图4 应变为2.0时不同应变速率和温度下的变形组织
Fig.4 Microstructures under strain of 2.0 and at different strain rates and temperatures: (a) 860 ℃, 1 s-1; (b) 860 ℃, 0.1 s-1; (c) 860 ℃, 0.01 s-1; (d) 900 ℃, 0.01 s-1; (e) 940 ℃, 0.01 s-1; (f) 970 ℃, 0.01 s-1
2.3 片层组织TA15钛合金变形软化分析
有关片层组织钛合金两相区变形应力软化的原因,MILLER等[5]认为是由于变形扭折或弯曲造成的。而且受织构的影响,拉伸变形方式下的应力峰值后的软化程度较压缩变形方式下的大。SEMIATIN等[6-7]的研究表明,高应变速率(≥0.1 s-1)下的应力软化是由于变形热效应和片状组织的扭折或弯曲造成的;低应变速率下,变形过程扩撒蠕变加强,峰值应力和α片层厚度遵循Hall-Petch关系。
片层组织的球化过程是片层组织TA15合金在两相区变形的主要特征。因此,随着球化过程的进行,组织由片层状演变成等轴状,变形应力得到软化,并随着球化过程的完成,应力逐渐达到稳态。然而,在低温高应变速率下,如860 ℃,1 s-1时(图4(a)),片层组织无明显球化现象,但变形应力随着变形的进行也得到相当程度的软化,最终达到稳态。这说明球化并不是片层组织软化的唯一原因。通过观察组织发现,在变形组织中存在α片层不同程度的弯折现象。这主要是因为随着温度的降低,晶界和α集束交界处的强度升高,且高应变速率使得扩散来不及进行,晶界和α集束交界处的滑动被抑制所致。所以,片层组织TA15两相区变形应力的软化应该是片层组织球化和弯折共同作用的结果,在不同温度和应变速率条件下,这两个机理导致的软化程度不同。
3 结论
1) 变形温度和应变速率严重影响片层组织TA15合金在两相区的热变形行为,流变应力随着温度的降低和应变速率的增大而增大。在860~970 ℃,0.01~1 s-1条件下,随着温度的降低和应变速率的增大,应力峰值前后应力的硬化率和软化率也逐渐增大,应力峰形状逐渐变尖。而且在同等条件下片层组织的TA15流变应力峰值高于等轴组织的流变应力峰值。
2) 变形参数对TA15片层组织的球化程度影响显著,其中应变的影响最为明显,在本文实验条件下片层组织开始球化的临界应变为0.34~0.59,完全球化需要的应变为3.4~6.8。随着应变的增大,片层组织的球化程度增大,同时两相组织分布更均匀,晶界和相界变得极不规则。应变速率越慢,温度越高,球化程度越大,α相容易长大,等轴α晶粒尺寸较大;应变速率越快,温度越低,等轴α晶粒尺寸较小,但球化程度较低。
3) 片层组织的球化过程是片层组织TA15合金在两相区变形的主要特征,在低温高应变速率下,片层组织发生弯折。故片层组织TA15两相区变形应力的软化应该是片层组织球化和弯折共同作用的结果,不同温度和应变速率条件下,这两个机理导致的软化程度不同。
REFERENCES
[1] 洪 权, 张振祺. Ti-6Al-2Zr-1Mo-1V 合金的热变形行为[J]. 航空材料学报, 2001, 21(1): 10-12.
HONG Quan, ZHANG Zhen-qi. Hot deformation behavior of Ti-6Al-2Zr-1Mo-1V alloy[J]. Journal of Aeronautical Materials, 2001, 21(1): 10-12.
[2] 李兴无, 沙爱学, 张汪峰, 储俊鹏, 马济民. TA15合金及其在飞机机构的应用前景[J]. 钛工业进展, 2003, 20(4/5): 90-94.
LI Xing-wu, SHA Ai-xue, ZHANG Wang-feng, CHU Jun-peng, MA Ji-min. TA15 titanium alloy and its applying prospects on airframe[J]. Titanium Industry Program, 2003, 20(4/5): 90-94.
[3] 徐文臣, 单德彬, 李春峰. TA15 钛合金的动态热压缩行为及其机理研究[J]. 航空材料学报, 2005, 25(4): 10-15.
XU Wen-chen, SHAN De-bin, LI Chun-feng. Study on the dynamic hot compression behavior and deformation mechanism of TA15 titanium alloy[J]. Journal of Aeronautical Materials, 2005, 25 (4): 10-15.
[4] 曾卫东, 周义刚. 冷速对TC11合金β加工显微组织和力学性能的影响[J]. 金属学报, 2002, 38(12): 1237-1276.
ZENG Wei-dong, ZHOU Yi-gang. Influence of cooling rate on microstructure and mechanical properties of beta processed TC11 alloy[J]. Acta Metallurgica Sinica, 2002, 38(12): 1273-1276.
[5] MILLER R M, BIELER T R, SEMIATIN S L. Flow softening during hot working of Ti-6Al-4V with a lamellar colony microstructure [J]. Scripta Materialia, 1999, 40(12): 1387-1393.
[6] SEMIATIN S L, SEETHARAMAN V, WEISS I. Flow behavior and globularization kinetics during hot working of Ti-6Al-4V with a lamellar colony microstructure[J]. Materials Science and Engineering A, 1999, 263: 257-271.
[7] SEMIATIN S L, BIELER T R. The effect of alpha platelet thickness on plastic flow during hot working of Ti-6Al-4V with a transformed microstructure[J]. Acta Master, 2001, 49: 3565-3573.
[8] SESHACHARYULU T, MEDEIROS S C, FRAZIER W G, PRASAD Y V R K. Microstructural mechanisms during hot working of commercial grade Ti-6Al-4V with lamellar starting structure[J]. Materials Science and Engineering A, 2002, 325: 112-125.
[9] SALISHCHEV G A, ZEREBTSOV S V, MIRONOV S Y, SEMIATIN S L. Formation of grain boundary mis-orientation spectrum in alpha-beta titaium alloys with lamellar structure under warm and hot working [J]. Material Science Forum, 2004, 467/468/469/470: 501-506.
[10] 陈慧琴, 曹春晓, 郭 灵, 林 海. TC11钛合金片层组织热变形球化动力学过程[J]. 航空材料学报, 2009, 29(1): 37-42.
CHEN Hui-qin, CAO Chun-xiao, GUO Ling, LIN Hai. Hot deformation globularization kinetic processes of TC11 titanium alloy with lamellar structure[J]. Journal of Aeronautical Materials, 2009, 29(1): 37-42.
[11] 陈慧琴, 曹春晓, 郭 灵, 林 海. TC11钛合金片层组织热变形球化机制[J]. 稀有金属材料与工程, 2009, 38(3): 421-425.
CHEN Hui-qin, CAO Chun-xiao, GUO Ling, LIN Hai. Globularization mechanisms during hot deformation processes of TC11 alloy with lamellar structure[J]. Rare Metal Materials and Engineering, 2009, 38(3): 421-425.
[12] 周 军, 曾卫东, 舒 滢, 周义刚. 热变形参数对Ti-17合金的片状α球化过程的影响[J]. 热加工工艺, 2005(1): 16-18.
ZHOU Jun, ZENG Wei-dong, SHU Ying, ZHOU Yi-gang. Influence of hot processing parameters on globularization of lamellar α in Ti-17 alloy[J]. Hot Working Technology, 2005(1): 16-18.
[13] 周 军, 曾卫东, 舒 滢, 周义刚. 应用热加工图研究TC17合金片状组织球化规律[J]. 稀有金属材料与工程, 2006, 35(2): 265-269.
ZHOU Jun, ZENG Wei-dong, SHU Ying, ZHOU Yi-gang. Study on globularization of lamellar α structure in TC17 titanium alloy during hot deformation using processing map[J]. Rare Metal Materials and Engineering, 2006, 35(2): 265-269.
[14] 姚泽坤, 苏 华, 苏祖武, 刘庆泉, 汪文迁, 孙雪征. 热加工工艺参数对TC11钛合金叶片显微组织细化球化的影响[J]. 热加工工艺, 1995(1): 6-10.
YAO Ze-kun, SU Hua, SU Zu-wu, LIU Qing-quan, WANG Wen-qian, SUN Xue-zheng. Effect of hot working process parameter on refining and sphericizing microstructures of TC11 alloy blades[J]. Hot Working Technology, 1995(1): 6-10.
[15] 沈昌武. TA15、TC11钛合金热变形材料本构模型研究[D]. 西安: 西北工业大学, 2007: 21-22.
SHEN Chang-wu. Research on material constitution models of TA15 and TC11 titanium alloys in hot deformation processes[D]. Xi’an: Northwestern Polytechnical University, 2007: 21-22.
[16] 杨 义, 徐 峰, 黄爱军, 李阁平. 全片层BT18Y钛合金在α+β相区固溶时的纤维组织演化[J]. 金属学报, 2005, 41(7): 713-720.
YANG Yi, XU Feng, HUANG Ai-jun, LI Ge-ping. Evolution of microstructure of full lamellar titanium alloy BT18Y solutionized at α+β phase field[J]. Acta Metallurgica Sinica, 2005, 41(7): 713-720.
(编辑 何学锋)
基金项目:国家自然科学基金重点资助项目(50735005, 50935007);国家自然科学青年基金资助项目(50905145);国家重点基础研究发展计划资助项目(2010CB731701)
通信作者:杨 合,教授,博士;电话:029-88495632;Email: yanghe@nwpu.edu.cn