网络首发时间: 2014-04-03 16:23
稀有金属 2016,40(05),467-472 DOI:10.13373/j.cnki.cjrm.2016.05.010
搅拌针形状及旋转速度对搅拌摩擦焊搭接接头迁移界面的影响
金玉花 黄振有 李常锋 温雨 王希靖
兰州理工大学材料科学与工程学院甘肃省有色金属新材料省部共建国家重点实验室
摘 要:
采用圆台形搅拌针和倒圆台形搅拌针分别对2 mm厚的AZ61B镁合金材料进行了搅拌摩擦焊(FSW)搭接试验,研究了搅拌针形状及旋转速度对搭接接头迁移界面的影响。研究结果表明,倒圆台形搅拌针作用下的搭接接头焊核区出现明显的分层现象,而圆台形搅拌针作用下的搭接接头焊核区分层现象不明显,并且前者的接头界面迁移高度较后者的低。旋转速度对接头的焊核区形貌及界面迁移高度也有重要的影响:随着旋转速度的增大,焊核区尺寸也逐渐增大;当焊速为定值时,随着旋转速度的增加,界面迁移高度也随之增加,当旋转速度超过一定值时,即圆台形搅拌头的旋转速度大于1200 r·min~(-1)或倒圆台形搅拌头的旋转速度大于1100 r·min~(-1)时,界面迁移高度将保持恒定或减小。剪切拉伸性能测试结果表明,断裂均起源于迁移界面,然后沿着垂直于载荷方向断裂;界面迁移高度越低,接头抗剪强度越高;与圆台形搅拌针相比,倒圆台形搅拌针获得的接头最大抗剪强度提高了10%。
关键词:
搅拌摩擦焊;搭接接头;搅拌针形状;界面迁移高度;抗剪强度;
中图分类号: TG453.9
作者简介:金玉花(1978-),女,甘肃兰州人,博士,副教授,研究方向:有色金属连接技术;电话:13993180565;E-mail:yhjin8686@163.com;
收稿日期:2013-12-08
基金:甘肃省自然科学基金项目(1014RJZA002);甘肃省硕导基金项目(1201ZTC028);兰州市科技局项目(01-0065);兰州理工大学博士基金项目(01-0765)资助;
Migration Interface of Friction Stir Welding Overlap Joints with Different Tool Geometries and Rotation Speeds
Jin Yuhua Huang Zhenyou Li Changfeng Wen Yu Wang Xijing
State Key Laboratory of Advanced Non-Ferrous Metal Materials in Gansu Province,School of Materials Science and Engineering,Lanzhou University of Technology
Abstract:
Friction stir overlap welding tests for 2 mm thickness AZ61 B magnesium alloy were investigated by conical pin tool and reverse conical pin tool,respectively. The effect of pin geometry and rotation speed on the migration interface of overlap joints was also analyzed. The results showed that stratifications appeared in the weld nugget zone under the action of reverse conical pin,while the stratification of weld nugget was not obvious under the action of conical pin,and the interface migration heights of former joints were lower than that of the latter joints. Furthermore,the rotational speeds could also highly influence the weld nugget zone morphologies and the migration interface heights: with the rotation speed increasing,weld nugget zone size increased; when the welding speed was constant,the interface migration height increased with the increase of the rotational speed; when the rotational speed exceeded a certain value,i. e.,the rotational speed of reverse conical pin tool was more than 1200 r·min- 1or the rotational speed of conical pin tool was more than 1100 r·min- 1,interface migration heights would remain constant or decreased. The tension shear mechanical test showed that the fractures originated from migration interfaces,and then propagated along the direction perpendicular to the load; the lower the height of the migration interface was,the higher the shear strength of the joints became; moreover,compared with overlap joint welded by the conical tool,the maximum shear strength of overlap joint welded by the reverse tool increased by 10%.
Keyword:
friction stir welding; overlap joint; tool geometry; interface migration height; tensile shear strength;
Received: 2013-12-08
搅拌摩擦焊(FSW)是由英国焊接研究所于1991年提出的一种固态塑化连接方法[1]。与传统熔化焊相比,其接头不产生类似熔焊接头的铸造组织缺陷,如凝固裂纹、气孔和氧化等缺陷;由于其焊接接头组织在塑性流动中产生了均匀细化,因此具有较好的各种机械性能;同时它还是一种环保型“绿色焊接方法”,焊接过程中不产生辐射、飞溅、噪音及弧光等有害物质。搅拌摩擦焊特别适合于有色金属的连接[2,3,4],已经实现了对铝合金材料的焊接,同时对铝基复合材料、镁合金、铜合金、铅合金及锌合金等的焊接也取得了较好的进展。目前,在搅拌摩擦焊的研究中,可以进行多种接头形式和不同焊接位置的连接,如接头的搭接形式,其可以很好地代替铆接接头。在搭接接头中,搭接界面宽度及界面畸变对接头性能的好坏起着至关重要的影响[5]。搭接焊缝两侧的界面的向上或向下迁移,减小了接头的有效承载面积,影响了接头的力学性能。
诸多研究者研究了关于搅拌头形状和焊接工艺参数对迁移界面的影响。严铿等[6]采用三爪型搅拌头进行搭接实验,实验结果表明,该特殊搅拌头可以有效地改善搭接焊缝的界面成形情况,同时利用前进边相对的双道焊方法,有效地避免了前进侧界面畸变对接头的影响。Cao和Jahazi[7]采用左螺纹搅拌头对2 mm的镁合金进行了搅拌摩擦焊搭接实验,研究了旋转速度对搭接接头质量的影响,研究结果表明,焊核两侧的界面通常是向上迁移的,但是在旋转速度低于1000 r·min-1的情况下,前进侧的界面则是向上迁移,选择合适的焊接工艺参数能够获得无缺陷的搭接接头,并且接头前进侧界面向下迁移,返回侧界面向上迁移,这样使得有效承载板厚明显提高,同时也提高了接头的拉剪强度。邓卫华等[8]利用搅拌摩擦焊技术对3mm厚度的LY12(CZ)铝合金进行搭接实验,该实验过程采用了搅拌针长度一致但形状不同的搅拌头,实验结果表明,左螺纹搅拌针使搭接界面向上迁移,右螺纹搅拌针使搭接界面向下迁移,而光面搅拌针使搭接界面迁移高度减小,但却导致返回侧界面向焊缝中心延伸的程度变大。然而,界面迁移特征与焊核区的材料流动性密切相关,如何从材料流动性来对搭接接头界面迁移特征进行研究的相关文献相对较少,急待深入研究。
对此,本文运用对比的方式,采用两种不同的搅拌头对AZ61B镁合金进行搅拌摩擦焊搭接试验,同时将旋转速度考虑进来,分析了搅拌头形状及旋转速度对搅拌摩擦焊搭接接头迁移界面的影响。
1 实验
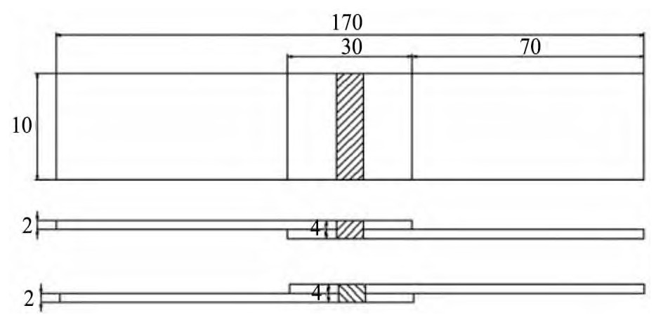
实验选用挤压态变形AZ61B镁合金材料,其规格为200 mm×100 mm×2 mm,化学成分(质量分数)为:Al为6.2%、Zn为1.0%、Mn为0.15%、Si为0.35%、镁为余量,其抗拉强度为305 MPa。焊前利用钢丝刷去母材表面的氧化层,接着用丙酮去除表面的油污。本文采用圆台形搅拌头和倒圆台形搅拌头进行焊接实验,圆台形搅拌头基本尺寸为:轴肩直径21 mm,轴肩面内凹(内凹角3°),搅拌针长度3.5 mm,搅拌针根部直径7 mm,端部直径5 mm;倒圆台形搅拌头基本尺寸为:轴肩直径21 mm,轴肩面内凹(内凹角3°),搅拌针长度3.5 mm,搅拌针根部直径5 mm,端部直径7 mm。焊接过程选取的工艺参数为旋转速度600~1200 rad·min-1,焊接速度为定值40 mm·min-1,焊接前倾角为3°。搅拌摩擦焊的搭接过程如图1所示。焊后,沿垂直于焊缝方向截取试样,经细磨后,进行抛光处理,制成金相试样,并用4%的硝酸酒精溶液对其进行腐蚀。按国标GB/T639-2008截取拉伸试样(如图2所示),每种情况均截取3个相同试样,利用WDS-100电子万能试验机来测试各试样的抗剪强度,然后通过求平均值来获得其最终抗剪强度值。通过金相显微镜(OM)对搭接接头界面迁移特征、塑性金属的流动性进行观察与分析;并采用扫描电镜(SEM)对断口宏观形貌进行观察,探究接头的断裂机制。

图1 搅拌摩擦搭接焊过程示意图Fig.1 Schematic diagram of friction stir over lap welding process

图2 搭接接头拉剪试样Fig.2 Tensile shear specimen of over lap joint(unit:mm)
(Middle:upper plate at AS;Lower:upper plate at RS)
2 结果与讨论
2.1 搅拌针形状及旋转速度对接头横截面的影响
图3(AS为前进侧,RS为后退侧)为在不同搅拌针形状及旋转速度下的焊缝横截面宏观形貌。从图3中可以看出,焊缝均成型较好,未发现隧道、空洞等缺陷。另外,在不同旋转速度及不同搅拌针作用下,搭接接头的焊缝横截面形貌呈现明显的不同,其表现如下:倒圆台形搅拌针作用下的焊缝,其焊核区出现明显的分层现象(如图3(a)和(b)所示);圆台形搅拌针作用下的焊缝,其焊核区只出现一个完整的、闭合的洋葱环结构,并未发生分层现象(如图3(c)和(d)所示);同种搅拌头作用下的焊缝,随着旋转速度的增大,其焊核区的尺寸也大(如图3(a~d)所示)。

图3 不同搅拌针形状及旋转速度下的焊缝横截面宏观形貌Fig.3 Transverse section of weld with various tool geometries and welding rotation speeds
(a)Reverse conical tool,800 r·min-1;(b)Reverse conical tool,1000 r·min-1;(c)Conical tool,800 r·min-1;(d)Conical tool,1000 r·min-1
经分析可知,上述产生的结果与搅拌过程中塑性金属材料的流动方式有关[9,10]。在搅拌摩擦焊过程中时,搅拌针的运动可分解成沿焊接速度方向的运动和绕搅拌针中心轴线的旋转运动,由于旋转摩擦这种特殊结构,导致焊接前进侧与后退侧之间是不对称的。在前方塑性金属填充后方空缺的过程中,塑化金属的流动是由厚度方向流动及水平方向流动的协同作用下进行的,塑性金属并不是以相同速度随搅拌头一起运动;搅拌头与其周围塑性金属之间、塑性金属内不同的流动层之间均存在速度差,致使塑性金属与搅拌针、金属与金属之间存在着相互摩擦作用。当搅拌针形状不同时,由于塑性金属之间的摩擦力方向各不相同,使塑性金属的流动状态也随之不同,因此最终形成的焊缝形貌也各不相同。而对于焊核区尺寸随旋转速度的增大而增大,则是与热输入量有关[11]。随着旋转速度的增大,搅拌头的热输入量增大,导致塑性金属的量也增多,变形区增大,因此焊核区的尺寸也随之增大。
2.2 搭接界面迁移特征分析
图4和5为不同搅拌头作用下的界面迁移形貌。从图4,5可以看出,在焊核区附近,原始界面均被向上拉起而形成向上弯曲的迁移界面。前进侧与返回侧的迁移界面存在着明显的差异:前进侧的迁移界面被向上拉起,并形成一定角度沿着远离焊核区的方向延伸;相反的,后退侧的迁移界面被向上拉起,而沿着焊核方向一直延伸。
焊缝迁移界面的形成与搅拌针附近塑性金属材料的流动性密切相关[12,13]。搅拌摩擦焊接过程是由搅拌头平移和旋转的协同作用下进行的。搅拌头的平移运动驱使塑性金属材料向上及向两边移动;而搅拌头的旋转运动驱使塑性金属材料由后退侧向搅拌头后方移动,同时旋转运动也改变了平移运动时的塑性金属流动方式。在前进侧,塑性金属材料在搅拌针的平移挤压过程中向搅拌针后方流动,其运动方向与搅拌针的旋转运动方向相反,因此在该区域产生较为显著的剪切变形区。前进侧的原始界面在该区域被充分的分解而进入剪切变形区,因此形成了不连续的界面。再加上轴肩的旋转挤压运动,使迁移的原始界面以一定的角度偏移焊核区。在后退侧,平移挤压过程中塑性金属材料的流动方向与搅拌针的旋转运动方向相同,因此该区域产生的剪切变形不明显,导致原始界面没有被搅拌针充分地分解,因而呈现出朝焊核方向一直延伸的趋势。同时也由于轴肩的旋转挤压运动,使原始迁移界面向下挠曲并朝焊核区延伸。

图4 倒圆台形搅拌头作用下的界面迁移微观形貌Fig.4 Micro-morphology of migration interface with reverse conical tool and different rotation speeds
(a)1200 r·min-1;(b)800 r·min-1

图5 圆台形搅拌头作用下的界面迁移微观形貌Fig.5Micro-morphology of migration interface with conical tool and different rotation speeds
(a)1200 r·min-1;(b)800 r·min-1
图6为焊接速度一定时,旋转速度对迁移界面高度的影响。从图6(a)中可以看出,当选取倒圆台形搅拌头进行焊接实验时,获得的实验结果为:随着旋转速度的增加,迁移界面的高度均逐渐增大(图5中的Ha为前进侧的界面迁移量,Hr为返回侧界面迁移量);从图6(b)中可以看出,当选取圆台形搅拌进行焊接实验时,随着旋转速度的增加,前进侧迁移界面的高度Ha逐渐增大,而后退侧迁移界面的高度Hr则是先增大后减小。另外,不管使用何种搅拌头,前进侧界面迁移高度整体比后退侧界面迁移高度更高;还有,将图6(a)与(b)进行比较可以看出,图6(a)中的界面迁移高度不管是前进侧还是返回侧均普遍比图6(b)要低。
搅拌摩擦搭接焊中,界面迁移高度与焊接工艺参数、材料的流动性、热输入量有关。文献[14]给出了热输入量与焊接工艺参数的关系:Q∝W2/v,W为旋转速度、v为焊接速度,由上述关系可知,当焊接速度v一定时,热输入量Q随旋转速度W的增大而增大。一般情况下,在一定范围内,随着热输入量的增大,塑性金属材料之间的黏性降低,导致搅拌针前方的塑性金属厚度方向的流动性将增大,因此导致迁移界面的高度增大;但是当热输入量超过一定值时,由于塑性金属水平方向及厚度方向的流动性均同时增大,在两种流动方式的相互制约作用下,界面迁移高度将保持恒定或减小,与本文所得的实验结果相吻合。至于前进侧界面迁移高度整体比后退侧界面迁移高度更高,则是由于后退侧迁移界面向焊核方向延伸时,其受到轴肩下方塑性金属的挤压作用,因此,迁移界面只能上升一定高度;而前进侧迁移界面由于远离焊核区,其受到轴肩下方塑性金属的挤压没后退侧显著,这样就导致了前进侧界面高度整体比后退侧更高。

图6 旋转速度对迁移界面高度的影响(焊速一定)Fig.6Influences of rotation speed on height of interface mi-gration with constant welding speed
(a)Reverse conical pin tool;(b)Conical pin tool
搭接焊缝的迁移界面形貌还与搅拌针的形状有关系[8,15]。由2.1节可知,倒圆台形搅拌针作用下的焊缝横截面存在的分层现象较圆台形搅拌针的明显,说明采用倒圆台形搅拌针进行焊接时,塑性金属的水平流动性较为显著,因而使其界面迁移高度比圆台形搅拌针的界面迁移高度更低。
2.3 接头力学性能分析
图7为搭接接头的断裂特征。从图7可以看出,按图7所给的方式加载时,断裂均发生在上板的受拉侧。图8为图7中断口的SEM宏观形貌,从图8中可以看出,断裂起源于迁移界面,然后沿着垂直于载荷方向扩展断裂。图9为迁移界面高度对接头抗剪强度的影响。由图9可知,迁移界面高度越低,其抗剪强度越高。因为界面迁移高度越高,使得接头的有效承载面积减小,接头的抗剪强度降低。综上可知,迁移界面是影响搭接接头力学性能的关键因素,同时迁移界面高度决定了搭接接头力学性能的大小,迁移界面高度越小,接头强度越高。由本文2.2节可知,倒圆台形搅拌头作用下的搭接接头,在相同的旋转速度下,其迁移界面高度均比圆台形搅拌头的低,这一现象说明倒圆台形搅拌头作用下的搭接接头,与圆台形搅拌头相比,其界面迁移高度相对较小,抗剪性能相对更高;在旋转速度为600 r·min-1时,接头抗剪强度最大。经数据分析可知,倒圆台形搅拌头的最大抗剪强度提高了10%。

图7 搭接接头的断裂特征Fig.7 Fracture characteristics of over lap joints
(a)AS under load;(b)RS under load

图8 断口的SEM宏观形貌Fig.8 SEM images of fracture surfaces
(a)Fracture location in Fig.7(a);(b)Fracture location in Fig.7(b)

图9 界面迁移高度对接头抗剪强度的影响Fig.9Influence of height of interface migration on tensile shear strength
3 结论
1.搅拌针形状决定了焊缝焊核区形貌,同时影响了界面迁移高度。不同的搅拌针形状使塑性金属之间的摩擦力方向不相同,因而塑性金属的流动状态(水平方向和厚度方向)也随之不同,因此导致最终形成的焊缝形貌及界面迁移高度不相同。
2.旋转速度也影响了焊核区尺寸及界面迁移高度。随着旋转速度的增大,搅拌头的热输入量增大,导致塑性金属的量也增多,变形区增大,因此焊核区的尺寸也随之增大。而对于其对界面迁移高度的影响则是:随着热输入量的增大,塑性金属材料之间的粘度降低,导致搅拌针前方的塑性金属厚度方向的流动性将增大,因此导致迁移界面的高度增大;但是当旋转速度继续增大时,热输入量也增大,导致塑性金属水平方向及厚度方向的流动性均同时不断增大,在两种流动方式的相互制约作用下,最终界面迁移高度将保持恒定或减小。
3.断裂均起源于迁移界面,然后沿着垂直于载荷方向扩展断裂;界面迁移高度越低,接头抗剪强度越高。通过对两种搅拌头进行比较,实验发现倒圆台形搅拌针的搅拌头获得的接头抗剪强度相对更高,并且接头最大抗剪强度提高了10%。
参考文献
[1] Nandan R,Debroy T,Bhadeshia H K D H.Recent advances in friction stir welding process,weldment structure and properties[J].Progress in Materials Science,2008,53(6):980.
[2] Yang S Y,Liu D D.Status and prospect of friction stir welding of magnesium alloys[J].Chinese Journal of Rare Metals,2014,38(5):896.(杨素媛,刘冬冬.镁合金搅拌摩擦焊的研究现状与展望[J].稀有金属,2014,38(5):896.)
[3] Esparza J A,Davis W C,Trillo E A,Murr L E.Friction stir welding of magnesium alloy AZ31B[J].Journal of Materials Science Letters,2002,(21):917.
[4] Farias A,Batalha G F,Prados E F,Magnabosco R,Delijaicov S.Tool wear evaluations in friction stir processing of commercial titanium Ti-6Al-4V[J].Wear,2013,302(1-2):1327.
[5] Cederqvist L,Reynolds A P.Factors affecting the properties of friction stir welded aluminum lap joints[J].Weld Journal,2001,80(12):281.
[6] Yan K,Ye X,Guo X J.Interface shape and performance of friction stir welding lap joint for 2024-T3 sheet[J].Journal of Jiangsu University of Science and Technology(Natural Science Edition),2009,23(3):206.(严铿,叶欣,郭晓娟.2024-T3薄板搅拌摩擦焊搭接界面成型及接头性能[J].江苏科技大学学报(自然科学版),2009,23(3):206.)
[7] Cao X,Jahazi M.Effect of tool rotational speed and probe length on lap joint quality of a friction stir welded magnesium alloy[J].Materials and Design,2011,32(1):1.
[8] Deng W H,Wei P,Xing L,Xu W P.Effect of pin geometry on interface migration of friction stir lap welds[J].Thermal Processing,2011,40(1):119.(邓卫华,魏鹏,邢丽,徐卫平.搅拌针形状对搭接焊缝界面迁移的影响[J].热加工工艺,2011,40(1):119.)
[9] Chen C M,Kovacevic R.Finite element modeling of friction stir welding-thermal and thermomechanical analysis[J].Int.J.Mach.Tool.Manu.,2003,(43):1319.
[10] Guerra M,Schmidt C,Mc Clure J C,Murr L E,Nunes A C.Flow patterns during friction stir welding[J].Materials Characterization,2002,49(2):95.
[11] Midling O T,Oosterkamp L D,Bersaas J.Friction stir welding-process and applications[A].Proceedings of7th International Conference on Joints in Aluminum[C].Cambridge,UK,1998.175.
[12] Muthukumaran S,Mukherjee S K.Multi-layered metal flow and formation of onion rings in friction stir welds[J].International Journal of Advanced Manufacturing Technology,2008,38(1-2):68.
[13] Ke L M,Pan J L,Xing L,Wang S L.Sucking-extruding theory for the material flow in friction stir welds[J].Journal of Mechanical Engineering,2009,45(4):89.(柯黎明,潘际銮,邢丽,王善林.搅拌摩擦焊焊缝金属塑性流动的抽吸—挤压理论[J].机械工程学报,2009,45(4):89.)
[14] Yuri Hovanski,Johne carsley,Kesterd Clarke,Paule Rajewski.Friction-stir welding and processing[J].Minerals,Metals&Materials Society,2015,67(5):996.
[15] Buffa G,Campanile G,Fratini L,Prisco A.Friction stir welding of lap joints:influence of process parameters on the metallurgical and mechanical properties[J].Materials Science and Engineering A,2009,519(1-2):19.