DOI: 10.11817/j.issn.1672-7207.2018.05.028
单层体外预应力钢筋混凝土框架抗倒塌试验研究
范云蕾,王杰,王皓磊
(中南林业科技大学 土木工程与力学学院,湖南 长沙,410018)
摘要:通过两榀单层双跨体外预应力钢筋混凝土框架结构试验研究,分析中柱失效后结构体系的抗倒塌性能。对试验模型框架受力过程进行分析,建立基于结构变形的体外预应力筋应力变化分析方法,推导出体外预应力钢筋混凝土框架倒塌破坏的极限荷载简化计算公式。研究结果表明:中柱失效后,体外预应力钢筋混凝土框架的连续倒塌过程分为4个阶段即弹性阶段、弹塑性阶段、受压混凝土破坏阶段和悬链线作用阶段,结构主要通过压拱机制和悬链线机制进行内力重分配;悬链线机制提供的抗力由侧向约束的刚度和强度决定,当柱对梁提供的水平约束不足时,框架的倒塌抗力随竖向位移的增大而不断下降;体外预应力筋可提高框架的开裂荷载、压拱作用阶段的峰值荷载以及悬链线作用阶段的极限荷载;采用所提出的公式所得计算结果与试验结果较吻合,可用来预估体外预应力钢筋混凝土框架考虑悬链线作用的极限承载力。
关键词:体外预应力钢筋混凝土框架;连续倒塌;静力试验;悬链线作用;预应力
中图分类号:TU375;TU378 文献标志码:A 文章编号:1672-7207(2018)05-1244-10
Experimental study on collapse performance of one-story reinforced concrete frames using external prestressing tendons
FAN Yunlei, WANG Jie, WANG Haolei
(College of Civil Engineering and Mechanics, Central South University of Forestry and Technology, Changsha 410018, China)
Abstract: Experimental study of two single-story two-span reinforced concrete (RC) frames using external prestressing tendons was carried out to study the collapse behavior after middle-column loss. The applied load process of model frame was analyzed. A method for analyzing variation of external prestressing tendon stresses based on the structural deformation was proposed and the formula for calculating ultimate load of RC frames using external prestressing tendons was derived. The results show that progressive collapse of RC frames using external prestressing tendons after middle column loss involves four stages, i.e., elastic stage, elastic-plastic stage, compression concrete damage stage and catenary stage, in which the structure sustains and redistributes loads through the mechanism of hinge action and catenary action. Collapse resistance of RC frames with external prestressing tendons under catenary mechanism is mainly determined by the stiffness and strength of the horizontal restraint of the column. When restraint is weak, collapse resistance of RC frames with external prestressing tendons decreases with the increase of vertical displacement. External prestressing tendons improve cracking load, the peak load in arch stage and ultimate load in catenary stage of RC frames. The calculated results from the proposed formula is in good agreement with the test results, indicating that the formula can be used to estimate ultimate bearing capacity of the catenary action.
Key words: RC frames using external prestressing tendons; progressive collapse; static test; catenary action; prestressing
结构抗连续倒塌性能不足是造成建筑结构倒塌的重要原因之一。结构连续性倒塌是由于偶然荷载造成结构局部破坏,并引发连锁反应导致破坏向结构的其他部分扩散,最终使结构主体丧失承载力,整个结构大范围倒塌。最早的建筑结构抗连续倒塌规定中要求建筑结构在意外荷载作用下不应发生与初始破坏不相称的大范围倒塌[1]。一些发达国家和地区也先后在其设计规范和设计指南中增加或完善了结构抗连续倒塌的设计条文[2-7]。美国还制定了专门的抗连续倒塌设计规范[8-9],对抗连续倒塌设计目标、计算分析方法和结构构造要求等进行了详细规定。框架结构在倒塌过程中,悬索作用对结构的连续倒塌起着重要的减缓与抑制作用,且该悬索作用使得框架梁在倒塌极限状态时的承载力比基于小扰度破坏准则时的承载力高出许多,也是偶然荷载导致主要支撑构件失效后可能触发连续倒塌的原因[10]。因此,研究悬索作用机理与破坏形态具有重要意义。KHANDELWAL 等[11]采用数值模拟方法分析了钢梁柱组合结构倒塌过程中的悬索作用效应。ASTANEH等[12]进行了4组单层钢框架结构的抗倒塌试验,其研究结果表明在钢-混凝土组合楼板下安装锚固可靠的拉索,可提高结构的抗倒塌性能。YI等[13]进行了一榀三层四跨框架平面拟静力抗倒塌试验,并对框架悬索作用进行了研究与分析,提出预估倒塌极限承载能力的方法。何庆峰等[10]通过变化配筋率、钢筋等级、加载速度等方式完成了5个约束梁试验,研究了钢筋混凝土柱失效情况下,梁柱子结构在考虑悬索作用效应时的抗倒塌性能。STINGER等[14]按1/4缩尺比例进行了3组二层二跨钢筋混凝土平面框架的倒塌试验,其研究结果表明部分填充墙对框架在压拱作用阶段的承载能力并没有很大提高,倒塌过程中结构主要通过压拱机制和悬链线机制进行内力重分配。李凤武等[15-16]按1/2缩尺比例进行了三层三跨钢筋混凝土空间框架的动力倒塌试验,通过研究破坏瞬间结构的位移反应、加速度反应、钢筋应变和裂缝分布情况,揭示了结构在竖向构件失效时的抗倒塌性能。王浩等[17]进行了一榀非对称的单层RC平面框架静力倒塌试验,分析了该框架在局部竖向构件失效后的水平向连续倒塌的受力机理和倒塌抗力。初进明等[18]设计制作了8个1/3比例的钢筋混凝土单向梁板子结构试件,分析了截面尺寸、配筋率等参数对钢筋混凝土楼盖系统抗连续倒塌性能的影响。周育泷等[19]研究了钢筋混凝土框架抗连续倒塌的压拱机制分析模型。HOU等[20-21]进行了1/3比例的单层双跨双开间钢筋混凝土空间框架分别在边柱、中柱失效情况下的静力倒塌试验,并分别探讨了梁、板在大变形下的悬链线机制和张力膜机制。目前人们主要针对钢筋混凝土结构进行研究,对于体外预应力结构在极端灾害下的抗连续倒塌性能研究较少。为此,本文作者设计了一榀单层体外预应力钢筋混凝土框架,并与普通钢筋混凝土框架进行对比,以研究体外预应力钢筋混凝土框架连续倒塌的受力机理与破坏形态。
1 试验概况
根据某多层钢筋混凝土结构民用建筑,按1/2.5的缩尺比例设计制作了2个截面尺寸与配筋均相同的两跨单层钢筋混凝土框架试件:K0框架为对比框架,未设计体外预应力筋;K1框架为试验框架,在距离梁底30 mm处平行梁布置1根直径为15.2 mm的体外预应力筋,有效张拉预应力为744 MPa,采用夹片式锚具锚固。K1框架如图1所示。框架层高为1.44 m,单跨跨度为2.4 m,B柱设计为失效柱。2个框架均以直径为12 mm的HRB400级钢筋作为非预应力纵向受拉钢筋,实测钢筋极限抗拉强度和屈服强度平均值分别为610.96 MPa和492.93 MPa;箍筋采用直径为6 mm的HRB400级钢筋,实测钢筋屈服强度平均值为423.39 MPa。混凝土梁、柱采用等级强度为C40的混凝土,在浇筑混凝土时制作了边长为150 mm的混凝土立方体试块,测得混凝土立方体抗压强度平均值为50.7 MPa。
K0框架为对比框架,未设计体外预应力钢筋。K1框架采用直径为15.2 mm的钢绞线为体外预应力筋,有效张拉预应力为744 MPa;钢绞线平行梁布置,距离梁底30 mm,采用夹片式锚具锚固。
模型框架与反力架分别通过地脚螺栓固定在实验室地基梁上,机械千斤顶垂直放置于中柱柱顶与反力架之间。在试验过程中,通过机械千斤顶由上往下进行正向人工分级加载,用静力方式模拟中柱失效。加载过程采用荷载 -位移双控制,即在试件屈服之前采用力加载控制,每级5 kN;试件屈服后,采用位移加载控制,每级2~5 mm。在每级加载后,等待5 min,再读取框架各测点的位移、混凝土以及钢筋应变。
框架试验的观测内容包括中柱下端的轴向力、中柱竖向位移和各柱水平位移。钢筋表面和柱混凝土表面的应变片测点布置如图2所示。试验中,在框架梁的张拉端增加了力传感器来测量张拉端预应力筋的应力变化情况。

图1 框架模型
Fig. 1 RC model

图2 梁柱钢筋应变片测点布置
Fig. 2 Arrangement of strain gauges on reinforcement bars
2 试验结果及其分析
2.1 试件破坏过程
在加载初期,各框架处于弹性工作阶段,无明显破坏现象;当加载到25 mm时,框架梁开始出现斜裂缝,弯曲裂缝也开始倾斜发展;当加载到45 mm时,K0框架柱上端开始出现水平裂缝,框架梁端截面受拉钢筋发生屈服,受压区混凝土开始被压碎;K1框架柱上端出现混凝土剥落,梁端钢绞线锚固端出现横裂缝;当加载到145 mm时,K0框架梁端出现明显贯通裂缝,并且出现很大倾角;K1框架梁端出现明显贯通裂缝。当加载到254 mm时,K0框架梁跨中截面受压区混凝土出现大块剥落,中柱西侧10 cm处梁底部钢筋被拉断,试件破坏模式如图3(a)所示。当加载到287 mm时,K1框架梁中柱西侧5 cm处梁底部和顶部钢筋受压屈曲破坏,试件破坏模式如图3(b)所示。
2.2 荷载-位移曲线
图4所示为K0和K1框架中柱竖向荷载-位移关系曲线。从图4可以看出:曲线可以分为4个工作阶段,即弹性阶段AB、弹塑性阶段BC、受压混凝土破坏阶段CD和悬链线作用阶段DE。
在弹性阶段AB,荷载和位移基本呈线性关系,此时构件无明显破坏现象。当跨中竖向位移分别小于1.8和5.0 mm时,K0和K1框架梁上的裂缝在B点以后才发现,此时开裂荷载分别为12.5和29.2 kN。BC段为弹塑性阶段,此时荷载和位移的增加呈非线性关系,框架梁满布裂缝,框架柱顶部出现横向裂缝。CD段为受压混凝土的破坏阶段,从C点开始,受压混凝土局部压碎,在D点(对应中柱竖向位移约145 mm)附近,塑性铰区域受压混凝土严重剥落。D点以后,梁端受弯承载能力基本丧失,结构受力机制转化为悬链线受力机制,主要由钢筋来直接传递荷载。对所测的钢筋应变进行分析可知:达到极限倒塌状态时,原来受压的钢筋已转变为受拉,并且部分钢筋已达到受拉屈服,说明此时构件已经进入悬链线作用阶段。

图3 试件破坏形态
Fig. 3 Final damage pattern of specimen

图4 中柱竖向荷载-位移关系曲线
Fig. 4 Curves of vertical load and displacement of middle column
进入悬链线机制后,框架的倒塌抗力并没有随着位移增大而迅速提高,而是继续下降,这与文献[10]和[13]中的试验研究结果有显著区别。这是由于柱对框架梁提供的水平约束能力有限,柱端发生较大的水平位移,这一方面释放了部分梁端的转动,使得钢筋应变增长减缓;另一方面减弱了提供给框架梁的水平约束力。该现象的发生使得框架梁的轴向拉力发展变慢,导致框架的抗倒塌能力并没有提高,而是继续下降。当K0框架的中柱竖向位移达到约254.4 mm时,框架梁中柱西侧的底部钢筋被拉断(见图3(a)),荷载传感器的力直接从29.3 kN下降到7.6 kN。为了防止试验设备破坏,停止试验。当K1框架的中柱竖向位移达到287 mm时,框架梁跨中偏右侧底部和顶部钢筋受压屈曲(见图3(b)),钢绞线抵到梁底部,提前结束试验。
表1所示为两框架临界点的竖向荷载与中柱竖向位移对比。从表1可以看出:K1框架的开裂荷载是K0框架的2.3倍,对应的竖向位移是K0框架的2.8倍,说明体外预应力钢筋可以提高框架的开裂荷载。两框架梁达到最大受弯承载力时的竖向位移大致相等,K1框架对应的竖向荷载是K0的1.35倍。当进入悬链线作用阶段时,K1框架对应的竖向荷载是K0的1.18倍,说明体外预应力钢筋可以增大框架梁的最大受弯承载力以及悬链线作用阶段的承载能力。
表1 K0和K1框架临界点的中柱竖向位移与荷载对比
Table 1 Comparison of vertical displacement and load of middle column of critical points for K0 and K1

2.3 框架柱水平位移
框架柱顶水平位移与中柱竖向位移关系如图5所示,其中水平位移为正值表示向框架外侧移,负值表示向框架内侧移。从图5(a)可以看出:随着中柱竖向位移增加,K0框架柱顶向外侧移,最大位移约为9.5 mm。在这一阶段, 梁在中柱近端承受正弯矩,截面开裂后中性轴上移,而在中柱远端承受负弯矩,中性轴向下移动。
在中柱两侧的框架梁两端,截面转动中心不在同一水平面上,框架梁内产生轴向压力,这就是所谓的“推力作用”或“拱作用”。当中柱竖向位移达到140 mm左右时,框架柱开始向内运动。这是由于框架梁跨中塑性铰转动中心位于其支座塑性铰转动中心以下,框架梁内轴向压力逐渐减小,框架进入“悬链线作用阶段”。对于K1框架(见图5(b)),随着中柱竖向位移增加,框架柱顶向内侧移,最大位移量约为0.33 mm,框架梁处于弹性工作阶段。框架梁进入弹塑性工作阶段后,框架柱顶开始向外侧移。当框架梁进入受压混凝土破坏阶段(此时中柱竖向位移约45 mm)后,框架柱顶向外急剧移动。当中柱竖向位移达到72 mm时,由于框架柱顶混凝土剥落,无法再测量框架柱顶水平位移。
2.4 钢绞线内力-位移关系
图6所示为K1框架钢绞线内力-跨中竖向位移关系。从图6可以看出:随着中柱竖向位移增加,钢绞线内力增大,最大钢绞线内力约为195 kN。在这一阶段,压拱作用使框架柱向外侧移动从而导致这一阶段钢绞线内力持续增大。当中柱竖向位移达到146 mm左右,框架梁跨中塑性铰转动中心位于其支座塑性铰转动中心以下时,框架柱开始向内运动,钢绞线两锚固端间的距离变小,钢绞线内力减小,由“拱作用阶段”转化为“悬链线作用阶段”。

图5 框架柱顶水平位移与中柱竖向位移关系
Fig. 5 Relationship between horizontal displacement and displacement of middle column

图6 钢绞线内力与中柱竖向位移关系
Fig. 6 Relationship between stress in external tendons and displacement of middle column
2.5 框架柱底混凝土表面应变
框架柱底混凝土表面应变与中柱竖向位移之间的关系如图7所示。对于K0框架(见图7(a)),当中柱竖向位移约145 mm时,框架柱底外侧混凝土(Z5下、Z7下,见图2)达到压应变峰值,随后压应变开始减小;框架柱底内侧混凝土(Z6下、Z8下,见图2)达到拉应变峰值,随后拉应变开始减小。由此可见,柱下端混凝土表面应变的变化情况与柱顶水平位移变化情况是一致的。当中柱竖向位移达145 mm时,框架水平位移由向外转为向内。在弯矩和轴力的共同作用下,框架柱底外侧受拉而内侧受压,直到柱下端外侧出现横向裂缝后,发生内力重分布。
对于K1框架(见图7(b)),柱底混凝土应变变化总体趋势与K0框架的一致。当框架梁的受弯承载能力耗尽,进入受压混凝土破坏阶段时,框架柱顶和柱底外侧同时达到峰值应变,随后开始减小。这表明钢绞线的存在使得框架的整体性更好。需要说明的是:试验过程中由于千斤顶行程不够,进行2次卸载后垫钢片再加载,导致曲线出现了2个峰值。
2.6 钢筋应变
图8~9所示分别为K0和K1框架梁端、跨中截面底部和顶部钢筋的应变变化情况。
对于K0框架(见图8),梁端底部钢筋(B1和B2)在加载初期承受压力,但是压力不大,说明此时大部分压力由混凝土承担。钢筋应变随着竖向位移增大而缓慢增大,当框架梁的受弯承载能力耗尽时,压应变达到峰值。随着框架进入受压混凝土破坏阶段(中柱竖向位移大于50 mm),钢筋应变B1和B2所承受的拉应力急剧增加,并且很快达到受拉屈服,这表明悬链线作用正在逐渐形成。梁端顶部钢筋(B3和B4)在加载初期承受拉力,受轴向压力的影响,顶部钢筋(B3和B4)的拉应变逐渐减小并变为压应变,且随着中柱竖向位移增大,压应变逐渐增大。框架梁内的轴向力达到峰值后开始减小,受其影响,顶部钢筋应变也达到压应变峰值,随后减小。B4钢筋应变发生从受压向受拉转变,转变点出现在100~150 mm范围内,说明此时梁端截面已进入塑性阶段。从图8(a)可知:梁端顶部钢筋B3和B4均未达屈服。对于跨中截面,底部钢筋(B9和B10)与顶部钢筋(B11和B12)在加载初期分别承受拉力与压力,当中柱竖向位移达到29 mm时,两者先后达到应变峰值。随着框架进入受压混凝土破坏阶段(中柱竖向位移大于50 mm),梁端截面开始塑性转动,跨中截面底部和顶部钢筋应变基本保持不变。

图7 框架柱底混凝土应变与中柱竖向位移关系
Fig. 7 Relationships between concrete strain of column base and vertical displacement of middle column

图8 K0框架钢筋应变曲线
Fig. 8 Curves of rebar strain of beam for K0

图9 K1框架钢筋应变曲线
Fig. 9 Curves of rebar strain of beam for K1
对于K1框架(见图9),梁端顶部钢筋(B3和B4)在加载初期承受拉应力,随着框架梁进入受压混凝土破坏阶段(中柱竖向位移为45 mm),梁端顶部钢筋先后达到拉应变峰值。由于梁端截面受到预应力产生的轴向压力的影响,随着梁轴向压力逐渐增大,顶部钢筋(B3和B4)的拉应变逐渐减小,其中B4最终变为压应变。梁端底部钢筋(B1和B2)在加载初期承受压应变并逐渐增大。由于轴向压力达到压力峰值后开始减小(这一点通过图6也可以看出),受其影响,梁端底部钢筋B1和B2压应变在达到峰值后也开始减小,其中B1压应变变为拉应变。值得注意的是,由于试验过程中中柱的侧向支撑未起到作用,导致框架发生平面外转动,使得B1和B2钢筋应变有较大差别。跨中截面底部钢筋(B9和B10)在加载初期承受拉力,且随着竖向位移的增大而增大。受轴向压力的影响,B9和B10钢筋拉应变逐渐减小,并转变为压应变,且B9钢筋达到屈服。随着轴向压力开始减小,B9和B10钢筋应变也开始向拉应变转变,进入悬链线受力阶段。值得注意的是,由于试验过程中中柱的侧向支撑未起到作用,导致框架发生平面外转动,使得B1和B2钢筋应变有较大差别。
3 体外预应力钢筋混凝土框架受力过程分析
3.1 压拱阶段
在荷载逐渐增加的过程中,体外预应力钢筋混凝土梁受拉区开裂后,受拉区预应力钢筋和非预应力钢筋将进入明显塑性变形或屈服状态,受压区边缘混凝土应变快速增大、受压区混凝土塑性变形发展,最终受压区边缘混凝土的应变将达到极限压应变,混凝土压碎。当荷载达到峰值Pu时,梁端截面达到极限弯矩Mu,此时梁截面进入完全塑形状态,梁端形成塑性铰。当框架所有梁端均形成塑形铰后,结构转变为几何可变机构。采用结构塑性分析方法,可得
(1)
式中:L为框架梁的净跨,取为2.16 m。因此,问题的关键是求解截面的极限弯矩Mu。
体外预应力框架梁截面的应变和应力分布如图10所示。根据图10中的框梁受力状态可以建立如下2个静力平均方程。
1) 沿轴向力方向的平衡条件,
,
(2)
2) 对受拉区钢筋(预应力和非预应力筋)合力作用点力矩平衡条件:
(3)
式中:fcy为混凝土轴心抗压强度设计值;fpy为承载能力极限状态下预应力筋应力设计值,
;fsy为非预应力筋的抗拉强度设计值;
为非预应力筋的抗压强度设计值;Ap和As分别为受拉区预应力筋和非预应力筋截面面积;
为受压区非预应力筋截面面积;b为矩形截面宽度;as和ap分别为受拉区非预应力筋合力点和预应力筋合力点至截面边缘的距离;
为受压区非预应力筋合力点至截面受压边缘的距离;x为受压区高度;h0为受拉区预应力筋和非预应力筋合力点至截面受压边缘的距离。
目前,各国基于试验对无黏结预应力筋的应力增量提出了不同的经验计算公式,但尚无规范提出体外预应力筋在承载能力极限状态下的应力计算公式。在此情况下,可以考虑用无黏结筋的应力计算公式代替体外筋的公式。我国“无黏结预应力混凝土结构技术规程”规定,对于同时配有有黏结非预应力筋的无黏结预应力混凝土结构,其无黏结预应力钢筋的极限应力以综合配筋指标
表示。对采用碳素钢丝、钢绞线作为无黏结预应力筋的受弯构件,在承载能力极限状态下,对跨高比≤35,且
≤0.45的构件,有
(4)
(5)
式中:
为综合配筋指标;
为扣除全部预应力损失后,无黏结预应力筋的有效预应力。
均不应小于无黏结预应力筋的有效预应力
,也不应大于无黏结预应力筋的抗拉强度设计值
。将截面参数代入式(2)~(5),可以求得Mu=38.54 kN·m。将上述数值代入式(1)可得Pu=71.37 kN,其值略大于试验实测的62.80 kN。

图10 K1框架梁截面应变和应力分布
Fig.10 Stress and strain distribution of beam section for K1
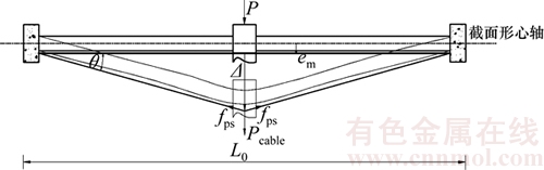
3.2 悬链线阶段
形成塑性机构后,框架梁端受压区混凝土达到极限压应变,受压区的混凝土退出工作,框架在荷载的作用下进入悬链线作用阶段。在此阶段,非预应力钢筋屈服之后,其应变随着荷载增大而增加,梁上新增加的荷载主要由预应力筋来承担。为简化分析过程,忽略边柱的影响,将其视为固定支座,并只考虑体外预应力筋的悬索作用。K1框架悬链线作用阶段计算简图如图11所示(其中P为竖向加载;Pcable为极限承载力;
为框架梁的转角;fps为预应力筋的极限应力;
为跨中竖向位移;em为体外预应力筋偏心距;L0为相邻锚具的距离)。根据图11中的静力平衡条件可得
(6)

图11 K1框架悬链线作用阶段计算简图
Fig. 11 Calculation model of catenary action for K1
前期研究表明,无论是连续梁还是框架,构件破坏时,体外预应力筋的极限应力均未达到其屈服强度;体外预应力筋的应力增量与跨中挠度密切相关,并基本呈正比关系。因此,可以通过直接分析构件破坏时的极限挠度来确定体外预应力筋的极限应力。
假定在构件变形过程中,预应力筋绕构件跨中截面转动呈折线型,变形后跨中截面的转角
为

相应的预应力筋的伸长量
,近似为跨中挠度的线性函数,则体外预应力筋的应变增量为
(7)
假定体外预应力筋仍处于线弹性阶段,则体外预应力筋的极限应力可表示为
(8)
式中:
为体外预应力筋的有效预应力;
为体外预应力筋的极限应力增量;
为体外预应力筋的弹性模量。根据试验实测的中柱挠度,得到
=6.2°。根据式(8)求出体外预应力筋的极限应力,再代入式(6),计算得到Pcable=20.3 kN,其值略大于试验值15.1 kN,这表明试验中边柱产生了较大的变形,释放了梁内部分拉应变,导致悬链线拉力降低,进而降低了试件的倒塌抗力。
4 结论
1) 体外预应力钢筋混凝土结构倒塌过程中,经历了弹性阶段、弹塑性阶段、受压混凝土破坏阶段和悬链线作用阶段。结构主要通过压拱机制和悬链线机制进行内力重分配。悬链线机制提供的抗力由侧向约束的刚度和强度决定,当柱对梁提供的水平约束不足时,框架的倒塌抗力随竖向位移的增大而不断下降。
2) 体外预应力筋可提高框架的开裂荷载、压拱作用阶段的峰值荷载以及悬链线作用阶段的极限荷载。
3) 提出了体外预应力钢筋混凝土框架结构倒塌破坏的极限荷载简化计算公式,可用来预估压拱阶段及悬链线阶段的倒塌抗力。
参考文献:
[1] HMSO 1976-1-102, Statutory instrument 1976, No.1676, Building and buildings[S].
[2] OPDM 2004-1-81, The building regulations 2000, Part A, schedule 1: A3, Disproportionate collapse[S].
[3] BS 8110-1-1997, Structural use of concrete, Part 1: code of practice for design and construction[S].
[4] BSEN 1992-1-1, Eurocode 2: Design of concrete structures, Part 1: General rules and rules for buildings[S].
[5] BSEN 1991-1-7, Eurocode 1: Actions on structures, Part 1-7: General actions-accidental actions[S].
[6] ACI 2008-1-479, Building code requirement for structural concrete and commentary[S].
[7] ASCE 7-05, Minimum design loads for buildings and other structures[S].
[8] GSA, Progressive collapse analysis and design guidelines for new federal office buildings and major modernization projects[S].
[9] United States Department of Defense, Unified facilities criteria design of buildings to resist progressive collapse[S].
[10] 何庆峰, 易伟建. 考虑悬索作用钢筋混凝土梁柱子结构抗倒塌性能试验研究[J]. 土木工程学报, 2011, 44(4): 52-59.
HE Qingfeng, YI Weijian. Experimental study of the collapse-resistant behavior of RC beam-column sub-structures considering catenary action[J]. China Civil Engineering Journal, 2011, 44(4): 52-59.
[11] KHANDELWAL K, EL-TAWIL S. Catenary action during collapse of steel MRF buildings[C]// Proceedings of the 2006 Structural Engineering and Public Safety. St. Louis, USA: American Society of Civil Engineers, 2006: 1-9.
[12] ASTANEH A. Progressive collapse prevention in new and existing buildings[C]// Proceedings of the 9th Arab Structural Engineering Conference. Abu Dhabi, UAE:UAE University Publication, 2003: 1-8.
[13] YI Weijian, HE Qingfeng, XIAO Yan, et al. Experimental study on progressive collapse-resistant behavior of reinforced concrete frame structure[J]. ACI Structural Journal, 2008, 105(4): 433-439.
[14] STINGER S M, ORTON S L. Experimental evaluation of disproportionate collapse resistance in reinforced concrete frames[J]. ACI Structural Journal, 2013, 110(3): 521-530.
[15] 李凤武, 肖岩, 赵禹斌, 等. 钢筋混凝土框架边柱突然失效模拟试验与分析研究[J]. 土木工程学报, 2014, 47(4): 9-18.
LI Fengwu, XIAO Yan, ZHAO Yubin, et al. Experimental and analytical study on progressive collapse of RC frame with sudden side column removal[J]. China Civil Engineering Journal, 2014, 47(4): 9-18.
[16] XIAO Yan, KUNNATH S, LI Fengwu, et al.Collapse test of three-story half-scale reinforced concrete frame building[J]. ACI Structural Journal, 2015, 112(4): 429-438.
[17] 王浩, 李易, 陆新征, 等. 单层钢筋混凝土框架结构水平向连续倒塌试验研究[J]. 建筑结构学报, 2016, 37(10): 65-72.
WANG Hao, LI Yi, LU Xinzheng, et al. Experimental investigation on horizontal progressive collapse of one-story reinforced concrete frame[J]. Journal of Building Structures, 2016, 37(10): 65-72.
[18] 初明进, 周育泷, 陆新征, 等. 钢筋混凝土单向梁板子结构抗连续倒塌试验研究[J]. 土木工程学报, 2016, 49(2): 31-40.
CHU Mingjin, ZHOU Yulong, LU Xinzheng, et al. An experimental study on one-way reinforced concrete beam-slab substructures for resisting progressive collapse[J]. China Civil Engineering Journal, 2016, 49(2): 31-40.
[19] 周育泷, 李易, 陆新征, 等. 钢筋混凝土框架抗连续倒塌的压拱机制分析模型[J]. 工程力学, 2016, 33(4): 34-42.
ZHOU Yulong, LI Yi, LU Xinzheng, et al. An analytical model of compressive arch action of reinforced concrete frames to resist progressive collapse[J]. Engineering Mechanics, 2016, 33(4): 34-42.
[20] HOU Jian, SONG Li, LIU Huanhuan. Testing and analysis on progressive collapse-resistance behavior of RC frame substructures under a side column removal scenario[J]. Journal of Performance of Constructed Facilities (ASCE), 2015, 30(5): 04016022.
[21] HOU Jian, SONG Li. Progressive collapse resistance of RC frames under a side column removal scenario: the mechanism explained[J]. International Journal of Concrete Structures and Materials, 2016, 10(2): 237-247.
(编辑 伍锦花)
收稿日期:2017-05-17;修回日期:2017-06-29
基金项目(Foundation item):国家自然科学基金资助项目(51308556) ( Project (51308556) supported by the National Natural Science Foundation of China)
通信作者:范云蕾,博士,副教授,从事结构抗震及抗倒塌研究;E-mail: fanyunlei@163.com